大家好!
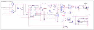
我们希望对 C1174-ALB 变压器的驱动器输出做出一些澄清。 我们在与 TPS23770PWPR 配合使用时、在驱动器输出端观察到28V 的电压、在偏置电压下观察到52V。 (PoE 的输入为48V)。
注意:TI 参考设计中推荐了用于 TPS23770PWPR 的变压器 C1174-ALB。
附件是供您参考的设计要点。
正在等待响应。
谢谢你。
This thread has been locked.
If you have a related question, please click the "Ask a related question" button in the top right corner. The newly created question will be automatically linked to this question.
大家好!
我们希望对 C1174-ALB 变压器的驱动器输出做出一些澄清。 我们在与 TPS23770PWPR 配合使用时、在驱动器输出端观察到28V 的电压、在偏置电压下观察到52V。 (PoE 的输入为48V)。
注意:TI 参考设计中推荐了用于 TPS23770PWPR 的变压器 C1174-ALB。
附件是供您参考的设计要点。
正在等待响应。
谢谢你。
尊敬的 Alen:
感谢您的答复。
从变压器数据表中可以 看出、输出电压为5V 时、BIAS-RTN 的高电压应为5V * 5 / 2.25 =11.1V、DRI- U19的源电压应为5V * 5 / 3.2 = 7.8V。我觉得变压器的选择很好。
我想知道您能否在输出侧得到正确的5V 电压吗? 如果可以有5V 输出、则偏置和 AUX 电压可能是测量基准问题。
如果不是、您能否测量 RTN-RTN VSS 之间的电压以查看内部热插拔是否正确开启?

此致、
帝昂