This thread has been locked.

If you have a related question, please click the "Ask a related question" button in the top right corner. The newly created question will be automatically linked to this question.

[参考译文] UCC21710-Q1:具有开尔文引脚和分流电阻器的 UCC217x 栅极驱动器芯片中的过流检测

Guru**** 2531950 points
Other Parts Discussed in Thread: UCC21710, UCC21732

请注意,本文内容源自机器翻译,可能存在语法或其它翻译错误,仅供参考。如需获取准确内容,请参阅链接中的英语原文或自行翻译。

https://e2e.ti.com/support/power-management-group/power-management/f/power-management-forum/1204096/ucc21710-q1-over-current-detection-in-ucc217x-gate-drive-chips-with-kelvin-pin-and-shunt-resistor

器件型号:UCC21710-Q1
主题中讨论的其他器件:UCC21710UCC21732

我们正在使用4引脚 TO-274 SiC MOSFET、似乎没有一个可以进行过流检测的 TI 隔离式栅极驱动器芯片。  就3引脚晶体管而言、这很简单、但在4引脚晶体管上、我们认为我们应将 OC 引脚连接到分流器的正极侧、而不是连接到源极引脚的负极侧、而是连接到分流器或电源接地端。  这是因为栅极驱动器上的 COM 引脚现在连接到开尔文引脚、而不是电源接地。

几年前曾有一篇文章提到了 UCC21732QDEVM-025评估板的 SLUUBX2B 用户指南、但该板需要一组额外的组件来镜像电压信号。

是否有 TI 栅极驱动芯片可用于在不使用所有这些额外电路的情况下对4引脚晶体管执行过流检测?我们遗漏了吗?

谢谢


戴夫

  • 请注意,本文内容源自机器翻译,可能存在语法或其它翻译错误,仅供参考。如需获取准确内容,请参阅链接中的英语原文或自行翻译。

    您好!

    这是一个有趣的 问题。 让我来看看、给 您回电话。  

    此致!

    南锡

  • 请注意,本文内容源自机器翻译,可能存在语法或其它翻译错误,仅供参考。如需获取准确内容,请参阅链接中的英语原文或自行翻译。

    您好!

    如果您使用的 FET 具有 SenseFET 连接、则可以使用 具有2-3个 RC 元件的 UCC21732、UCC21710或 UCC21737进行过流检测。 否则、您将需要额外的电路。  

    此致!

    南锡

  • 请注意,本文内容源自机器翻译,可能存在语法或其它翻译错误,仅供参考。如需获取准确内容,请参阅链接中的英语原文或自行翻译。

    南锡

    我们没有使用检测 FET、我们在 TO-247封装中使用了 SiC FET。

    现在已逐渐明白、在功率较高的 SiC MOSFET 中、它们仅采用4引脚封装、我很惊讶 TI 没有推出支持过流检测的栅极驱动芯片。  我是否在寻找错误的解决方案、而不应在栅极驱动级别实现这一点?

    也许应该在 MCU 级别执行此操作?  我注意到、较新的 MCU 芯片、如 C2000 F2806x、内置了逐周期检测电路、 但我希望将此保持在栅极驱动器水平、因为目前我们的 MCU 处于非板载状态、我担心引线太长而无法将分流差分电压返回到 MCU 是一项挑战。

    此外、我们在单板上运行4个全桥、因此电压镜的所有额外电路或隔离分流信号以将其返回至 MCU 的分流信号都将增加复杂性、布板空间和故障点。

    TI 是否有人可以就此向我们讲解、或者您是否有很好的应用手册方便我们跟进此主题。


    戴夫

  • 请注意,本文内容源自机器翻译,可能存在语法或其它翻译错误,仅供参考。如需获取准确内容,请参阅链接中的英语原文或自行翻译。

    Dave、您好!

    感谢您关注适用于您的应用的 UCC217xx 器件。

    以下文章介绍了如何使用 4引脚开尔文感应引脚用于 OC 检测。 但它涉及消息中说明的额外电路。

    请告诉我们、这是否有助于为您的系统进行规划。

    谢谢

    萨西

  • 请注意,本文内容源自机器翻译,可能存在语法或其它翻译错误,仅供参考。如需获取准确内容,请参阅链接中的英语原文或自行翻译。

    萨西卡拉

    我曾在您提供的链接中查看过该电路。  电流镜的理念很有趣、如果它只是一对用于调节反向电压 增益的晶体管和两个电阻器、则会带来在更高功率下使用损耗更低的分流器运行的有趣可能性、 并且仍生成使过流引脚跳闸所需的0.7伏特信号。

    但是、似乎在我们使用此示例的每种情况下、我们都必须提供输出5V 电压的独立隔离式电源。  我们无法使用栅极驱动器以开尔文引脚为基准的隔离式电源、这听起来是否准确?

    TI 不推出此栅极驱动芯片的一个版本、该版本将过流引脚电压基准为负0.7伏、以便可以轻松使用4个开尔文引脚晶体管、这有没有充分的理由。

    我对电压逆变器电路的增益调整能力感兴趣、但我们没有资源开发这个系统、会继续用外部电流传感器和"快速"OC 检测系统。 但在以85kHz 开关频率关断之前、这些仍需要等待最多5个周期。

    我当时希望 TI 能拿出解决这一问题的方案、因为具有感应功能的3引脚和4引脚设计的 UCC21710和 UCC2173x 系列栅极驱动器似乎在这一领域处于领先地位。

    感谢您的跟进:-)

    戴夫

  • 请注意,本文内容源自机器翻译,可能存在语法或其它翻译错误,仅供参考。如需获取准确内容,请参阅链接中的英语原文或自行翻译。

    Dave、您好!

    Sasikala 目前不在办公室,她或团队中的某个人应该在下一个工作日内回复您的问题。

    此致、

  • 请注意,本文内容源自机器翻译,可能存在语法或其它翻译错误,仅供参考。如需获取准确内容,请参阅链接中的英语原文或自行翻译。

    Dave、您好!

    感谢您分享 反馈。 大多数客户对 DESAT 电路而不是 OC。 由于电阻器闭合方法具有额外的功率损耗、因此并非首选方法。 我们提供了有关如何通过附加电路启用4引脚 TO-274的应用手册。

    希望它有所帮助。

    谢谢

    萨西

  • 请注意,本文内容源自机器翻译,可能存在语法或其它翻译错误,仅供参考。如需获取准确内容,请参阅链接中的英语原文或自行翻译。

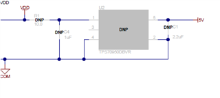
    此外、该 EVM 还显示了如何从 VDD 的等偏置产生5V 电源、如下所示。 希望它有所帮助。