This thread has been locked.

If you have a related question, please click the "Ask a related question" button in the top right corner. The newly created question will be automatically linked to this question.

[参考译文] TPS7A14:间距?

Guru**** 2511745 points
Other Parts Discussed in Thread: TPS7A14

请注意,本文内容源自机器翻译,可能存在语法或其它翻译错误,仅供参考。如需获取准确内容,请参阅链接中的英语原文或自行翻译。

https://e2e.ti.com/support/power-management-group/power-management/f/power-management-forum/1204569/tps7a14-pitch

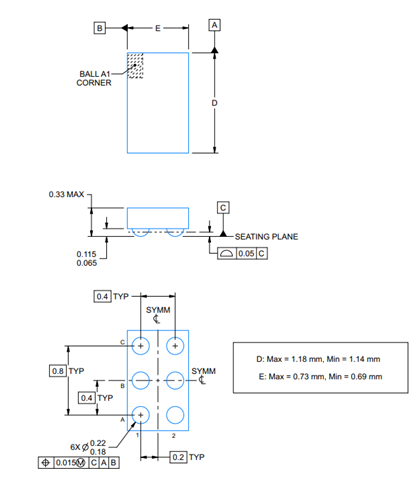
器件型号:TPS7A14

TPS7A14的间距是多少?

与机械制图的网页链接断开。  

谢谢。

卡梅伦

  • 请注意,本文内容源自机器翻译,可能存在语法或其它翻译错误,仅供参考。如需获取准确内容,请参阅链接中的英语原文或自行翻译。

    您好、Cameron、

    请参阅随附的图像:

    此致、

    安德烈斯