主题中讨论的其他器件:LM5025
您好
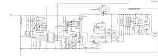
在输入开/关测试期间、OUT (引脚9)与 GND 短路的问题。
我想改进它、那么我应该审查哪个部分?

谢谢
This thread has been locked.
If you have a related question, please click the "Ask a related question" button in the top right corner. The newly created question will be automatically linked to this question.
请注意 C24和 R38之间的时间常数。 当您使用10kΩ 时、您得到的是 RC=1ms、但当您将 C24从0.1μF 更改为4.7nF 时、您得到的是0.1μF 47μs。 您将 RC 时间常数减少了21倍。 根据您的开关频率是多少、 下面的公式47、48将提供有关确定 C24、R38大小的指导。 如下面的等式47所示、确定 RC 时间常数(Tau)至大约100/Fsw。

根据 下面的等式39、使用所需的 Tau ~100/Fsw 来确定 Cc (C24)的值(我之前已经将这个值发送给您)。 在循环输入电源开/关/开时、钳位电容器可能未完全放电、这会改变第二次启动期间的初始条件、导致 PWM 控制器 OUTB 占空比突然变化、并导致 Cc 上出现充电不稳定。 当引入开/关测试时、您应该监控 VIN 以及钳位电容器电压和 OUTB 栅极驱动器。 将结果与"正常"关断进行比较、您需要等待更长的时间让电路恢复稳定的初始条件、然后再启动。 此外、考虑将1N4148更改为 BAT54或等效肖特基二极管类型。

此致、
史蒂夫