This thread has been locked.

If you have a related question, please click the "Ask a related question" button in the top right corner. The newly created question will be automatically linked to this question.

[参考译文] UCC21520:查找 B 距离(&gt);像 UCC21520DW 一样的9.6mm

Guru**** 2379650 points
Other Parts Discussed in Thread: UCC21520
请注意,本文内容源自机器翻译,可能存在语法或其它翻译错误,仅供参考。如需获取准确内容,请参阅链接中的英语原文或自行翻译。

https://e2e.ti.com/support/power-management-group/power-management/f/power-management-forum/1374299/ucc21520-looking-for-b-distance-9-6mm-as-like-ucc21520dw

器件型号:UCC21520

工具与软件:

我们是否有像 UCC21520DW 那样 B 距离大于9.6mm 的解决方案?  

BR、

Gary

  • 请注意,本文内容源自机器翻译,可能存在语法或其它翻译错误,仅供参考。如需获取准确内容,请参阅链接中的英语原文或自行翻译。

    您好、Gary、

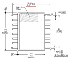
    UCC21520仅采用 DW SOIC (16)封装、封装尺寸为10.3mm x 7.5mm。 因此、B 距离不能超过9.6mm。 不过、 芯片的引脚长度确实约为9.97mm–10.63mm、如下图所示。 希望这能够符合您的规格。

    此致、

    会的

  • 请注意,本文内容源自机器翻译,可能存在语法或其它翻译错误,仅供参考。如需获取准确内容,请参阅链接中的英语原文或自行翻译。

    您好、

    我们需要 B > 9.6mm 才能满足安全要求。 我想知道我们有这样的解决方案可以分享吗? THX

    BR、

    Gary

  • 请注意,本文内容源自机器翻译,可能存在语法或其它翻译错误,仅供参考。如需获取准确内容,请参阅链接中的英语原文或自行翻译。

    您好、Gary、

    UCC21520不符合您提到的安全要求、 因为   所有器件型号的 B 长度都不大于9.6mm。

    就其他非 UCC21520的 TI 器件而言、这些器件的 B 长度约为7.5mm 或更小、具体取决于引脚数、功能等

    此致、

    会的