This thread has been locked.

If you have a related question, please click the "Ask a related question" button in the top right corner. The newly created question will be automatically linked to this question.

[参考译文] LM5117:设计审查

Guru**** 2501315 points
Other Parts Discussed in Thread: LM5117, CSD19533Q5A

请注意,本文内容源自机器翻译,可能存在语法或其它翻译错误,仅供参考。如需获取准确内容,请参阅链接中的英语原文或自行翻译。

https://e2e.ti.com/support/power-management-group/power-management/f/power-management-forum/1378465/lm5117-design-review

器件型号:LM5117
主题中讨论的其他器件: CSD19533Q5A

工具与软件:

您好!

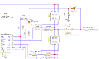
我的客户对 LM5117进行了电路检查、如下面的 E2E 链接所示。

https://e2e.ti.com/support/power-management-group/power-management/f/power-management-forum/1336000/lm5117-design-review/5091337

申请审查上述情况时、FET (Q11、Q12)均为 CSD19533Q5A。 但是、在最近检查 TI WEBENCH 时、他们发现 Q11为 CSD19533Q5A、Q12为 BSC117N08NS5ATMA1或 BSC037N08NS5ATMA1。

可以将 CSD19533Q5A 用于两个 FET (Q11、Q12)吗?

您能否解释一下与 WEBENCH 结果之间的差异?

谢谢你。

JH

  • 请注意,本文内容源自机器翻译,可能存在语法或其它翻译错误,仅供参考。如需获取准确内容,请参阅链接中的英语原文或自行翻译。

    您好 JH  

    我想所选的开关频率在旧 WEBENCH 和新 WEBENCH 结果之间会有所不同。 WEBECH 会根据用户输入自动更改开关频率。  

    可以、可以使用新的 MOSFET。  

    - EL

  • 请注意,本文内容源自机器翻译,可能存在语法或其它翻译错误,仅供参考。如需获取准确内容,请参阅链接中的英语原文或自行翻译。

    您好 EricLee、

    感谢您的答复。

    之前使用两个 CSD19533Q5A 的电路是否存在任何问题?

    此致、

    JH

  • 请注意,本文内容源自机器翻译,可能存在语法或其它翻译错误,仅供参考。如需获取准确内容,请参阅链接中的英语原文或自行翻译。

    您好 JH  

    我没有数据、但我认为驱动两个   CSD19533Q5As 不存在问题。  

    请确保"4个 MOSFET x Qg x Fsw < VCC Current Limit"

    - EL   

  • 请注意,本文内容源自机器翻译,可能存在语法或其它翻译错误,仅供参考。如需获取准确内容,请参阅链接中的英语原文或自行翻译。

    尊敬的 EricLee:

    [报价 userid="85016" url="~/support/power-management-group/power-management/f/power-management-forum/1378465/lm5117-design-review/5270019 #5270019"]

    我没有数据、但我认为驱动两个   CSD19533Q5As 不存在问题。  

    请确保"4个 MOSFET x Qg x Fsw < VCC Current Limit"

    [报价]

    客户再次询问您的评论是否正确。

    他们询问仅使用两个 CSD19533Q5As FET 的电路是否存在问题(如上一帖子所示的电路图中所示)、而不是使用四个相同 FET 的情况。

    附在上一篇文章中的客户设计文件已在下面重新附加。

    e2e.ti.com/.../2376.lm5117_5F00_20240314.xls

    e2e.ti.com/.../5001.SCH_5F00_LM5117_5F00_1.pdf

    谢谢!

    JH

  • 请注意,本文内容源自机器翻译,可能存在语法或其它翻译错误,仅供参考。如需获取准确内容,请参阅链接中的英语原文或自行翻译。

    您好 JH

    很抱歉混淆。 请确保2个 MOSFET x Qg x Fsw < VCC 限流。 我认为此器件不存在驱动两个 CSD19533Q5As MOSFET 的问题。  

    我离开办公室后、我将无法再回复此 E2E 帖子。
    如果您仍在尝试解决此问题、请勿回复此帖子、而是创建一个新帖子、以便快速从其他工程师处获得帮助。
    - EL