工具与软件:
我收到了有关电池平衡的答案。
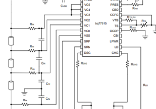
所有这些基本上归结为欧姆定律 V = I*R
对于平衡电阻器 Vcell /(Rbal + Rin + Rin)、如您共享的图像中所述:
- 根据数据表、33 Ω 输入电阻器将提供~50mA 的@ 4.2V 的内部电流
- 4.2V/50mA = 84 Ω。
- 如果我们在原始公式中求解 Rin、则 Rin =~18欧姆。
在上面的公式中、我可以考虑 Rin-33欧姆、然后 Rbal = 18欧姆。 还用于我们将要使用它的场合。
根据数据表 、提供了 RIN、但没有 RCB


包含 Rine、RCB


请给出这两个选项的设计计算。
感谢您的支持。