工具与软件:
我们将使用 TPS65400在通道1中生成3.3V、在通道2中生成1.1V、在通道3中生成1.35V、在通道4中生成2.5V。
我们在电路板启动阶段获得输出、稍后当我们调整补偿网络以实现稳定性时、通道1和3显示当前为0.8V、通道2和4工作正常、并且输出正确的值。
输出0.8V 电压的潜在原因是什么??? 、我们认为 IC 已损坏并更换为新的 IC、但此问题仍然存在!!!
This thread has been locked.
If you have a related question, please click the "Ask a related question" button in the top right corner. The newly created question will be automatically linked to this question.
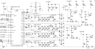
工具与软件:
我们将使用 TPS65400在通道1中生成3.3V、在通道2中生成1.1V、在通道3中生成1.35V、在通道4中生成2.5V。
我们在电路板启动阶段获得输出、稍后当我们调整补偿网络以实现稳定性时、通道1和3显示当前为0.8V、通道2和4工作正常、并且输出正确的值。
输出0.8V 电压的潜在原因是什么??? 、我们认为 IC 已损坏并更换为新的 IC、但此问题仍然存在!!!
尊敬的 Anguraja:
我想重新了解问题会如何解决? 我查看了原理图、但它看起来不是完整的原理图、遗漏了一些应用电路。 您可以将您的示意图发送至我的电子邮件 lucia-gao@ti.com 吗?
BRS
卢西亚