This thread has been locked.

If you have a related question, please click the "Ask a related question" button in the top right corner. The newly created question will be automatically linked to this question.

[参考译文] TPS2120:PR1/SEL 手动输入切换

Guru**** 2513185 points
Other Parts Discussed in Thread: TPS2120

请注意,本文内容源自机器翻译,可能存在语法或其它翻译错误,仅供参考。如需获取准确内容,请参阅链接中的英语原文或自行翻译。

https://e2e.ti.com/support/power-management-group/power-management/f/power-management-forum/1393013/tps2120-pr1-sel-manual-input-switchover

器件型号:TPS2120

工具与软件:

您好!

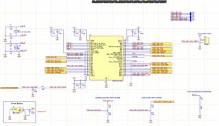
我们设计的产品使用上述 IC 作为两节电池的选择器(见下图 )、其中 EXT_BATT (IN2)为12V 电池、INT_BATT (IN1)为7.4V。
SEL 引脚通常会下拉、PR1引脚通过分压器连接到 IN1、PR1处的电压接近3.3V、因此选择 INT_BATT (IN1)、并且当满足切换电池的条件时、MCU 会将 SEL 引脚拉至高电平、将 PR1拉至低电平以切换至 EXT_BATT。
我们已经测试了我们的原型、但切换不起作用、器件始终选择 EXTBATT (IN2)作为电源源。
请查看随附的原理图、并告知我们在哪里有问题。
 提前感谢您的支持与此致、
  • 请注意,本文内容源自机器翻译,可能存在语法或其它翻译错误,仅供参考。如需获取准确内容,请参阅链接中的英语原文或自行翻译。

    您好!

    我将检查并重新回到这一点。

    此致

    Kunal Goel

  • 请注意,本文内容源自机器翻译,可能存在语法或其它翻译错误,仅供参考。如需获取准确内容,请参阅链接中的英语原文或自行翻译。

    您好!  

    是否有任何有关此主题的更新?

  • 请注意,本文内容源自机器翻译,可能存在语法或其它翻译错误,仅供参考。如需获取准确内容,请参阅链接中的英语原文或自行翻译。

    尊敬的 Cris:

    根据您的情况、器件会选择更高的电压、应该是 VIN2。

    此致

    Kunal Goel

  • 请注意,本文内容源自机器翻译,可能存在语法或其它翻译错误,仅供参考。如需获取准确内容,请参阅链接中的英语原文或自行翻译。

    您好!  

    PR1的默认状态为高电平、两个输入均有效、但 IC 仍选择 VIN2。

  • 请注意,本文内容源自机器翻译,可能存在语法或其它翻译错误,仅供参考。如需获取准确内容,请参阅链接中的英语原文或自行翻译。

    Chris、您好!

    请分享显示 VIN1、VIN2、SEL、PR1、VOUT 的波形。

    此致

    Kunal Goel

  • 请注意,本文内容源自机器翻译,可能存在语法或其它翻译错误,仅供参考。如需获取准确内容,请参阅链接中的英语原文或自行翻译。

  • 请注意,本文内容源自机器翻译,可能存在语法或其它翻译错误,仅供参考。如需获取准确内容,请参阅链接中的英语原文或自行翻译。

    您好!

    您能告诉哪些信号类似于共享标签信息吗?

    此致

    Kunal Goel

  • 请注意,本文内容源自机器翻译,可能存在语法或其它翻译错误,仅供参考。如需获取准确内容,请参阅链接中的英语原文或自行翻译。

    大家好、第一个是 PR1 (约3.3V)、第二个是 SEL (0V)、第三个是 Vout (约12V)、最后一个是 Vin2 (CH1)与 Vin1 (CH2)

  • 请注意,本文内容源自机器翻译,可能存在语法或其它翻译错误,仅供参考。如需获取准确内容,请参阅链接中的英语原文或自行翻译。

    尊敬的 Cris:

    让我检查一下、然后再回来看看这个。

    此致

    Kunal Goel

  • 请注意,本文内容源自机器翻译,可能存在语法或其它翻译错误,仅供参考。如需获取准确内容,请参阅链接中的英语原文或自行翻译。

    你好、Chris

    在看到这种情况时看起来没有负载、320uF 的输出电容使 Vout 接近 Vin2至少保持一两分钟、然后 Vout 明显下降、之后输出电压会再延长一点、直到降至 Vin1电压且器件完成切换。 我想问在该测试期间的负载是多少、以及您是否可以使用10或100 Ω 等负载进行测试以拉低输出。

    此致

    Kunal Goel

  • 请注意,本文内容源自机器翻译,可能存在语法或其它翻译错误,仅供参考。如需获取准确内容,请参阅链接中的英语原文或自行翻译。

    您好!

    TPS2120的负载是3.3V 稳压器、该稳压器为 STM uC、一个6轴 IMU、一个电池电量计和3个 LED 供电、另外还有一个4V 稳压器、为 AS7672SA 供电、并为基准电压提供1V 稳压器、基准电压进入电机驱动器(直接由 TPS2120的输出供电)。

  • 请注意,本文内容源自机器翻译,可能存在语法或其它翻译错误,仅供参考。如需获取准确内容,请参阅链接中的英语原文或自行翻译。

    您好、有任何更新吗?

  • 请注意,本文内容源自机器翻译,可能存在语法或其它翻译错误,仅供参考。如需获取准确内容,请参阅链接中的英语原文或自行翻译。

    尊敬的 Cris:

    您能否长时间观察到像以秒为单位的现象? 并尝试移除所有负载电容并断开所有下游负载?

    此致

    Kunal Goel