工具与软件:
尊敬的专家:
我将 ALERT 和 HDQ 用作热敏电阻输入、并了解到在使用此功能时这些引脚的最大输入电压为
1.8V (基准电压)。
我将使用高达1.5V 的电压、并在输入端使用10k 串联输入电阻器、所以我的问题是我是否必须注意某种输入电压
保护机制 就像齐纳二极管、以防万一、或者我使用10k 串联电阻就足够了、因为在 IC 内部有一个二极管保护机制、而10k 电阻器将限制电流?
谢谢!
Andras
This thread has been locked.
If you have a related question, please click the "Ask a related question" button in the top right corner. The newly created question will be automatically linked to this question.
工具与软件:
尊敬的专家:
我将 ALERT 和 HDQ 用作热敏电阻输入、并了解到在使用此功能时这些引脚的最大输入电压为
1.8V (基准电压)。
我将使用高达1.5V 的电压、并在输入端使用10k 串联输入电阻器、所以我的问题是我是否必须注意某种输入电压
保护机制 就像齐纳二极管、以防万一、或者我使用10k 串联电阻就足够了、因为在 IC 内部有一个二极管保护机制、而10k 电阻器将限制电流?
谢谢!
Andras
安德拉斯,你好!
您能否分享您尝试将 ALERT 和 HDQ 引脚用作热敏电阻的应用?
如果您尝试将引脚偏置为外部热敏电阻、则不需要、因为存在内部上拉电阻器。 第4.8节"热敏电阻温度测量" BQ76952技术参考手册中 更详细地介绍了该过程。
此致、
Alexis
尊敬的 Alexis:
我真的很抱歉...我想说、将 ALERT 和 HDQ 配置为通用 ADC 输入、用于测量特定的电压。
这就是我所说的限制(Vreg18=1.8V):

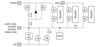
我还检查 ALERT 和 HDQ 的等效引脚输入电路、但它显示了更高的6V 二极管保护:

我预计这些引脚的输入端不会有更高的1.5V、但如果存在一些尖峰或故障、我的问题仍然存在;
它是否能够承受输入端10k 串联电阻器的电压或者需要使用限制为1.8V 的齐纳二极管?
谢谢。此致、
Andras