工具与软件:
你(们)好
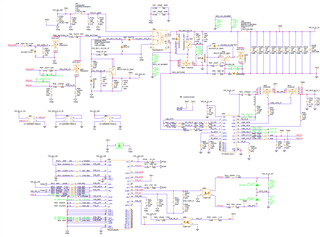
如下图所示、客户将 TPS23734用作 POE 电源控制器。 他们发现、在移除输入电压或输出短路时、Q606初级 Mos 的电压应力大于降额要求。
是否有任何建议可 降低 Mos 的电压应力? 放大夹紧盖?

This thread has been locked.
If you have a related question, please click the "Ask a related question" button in the top right corner. The newly created question will be automatically linked to this question.
哈利、您好!
感谢您发送编修!
通常、三种情况可能会导致初级 FET 电压过冲过高。
由于杂散电感中存储的能量而产生的过冲。 在这种情况下、您可以在 Q607上添加 RC 缓冲器电路或改进电源环路的布局、尤其是有源钳位电路。
2.如果反应较慢,另一种方式是让你的电路反馈反应更快。 您可以尝试 将相位裕度减小到45度、看看它是否有用。 在您观察到 相反的结果时、您可以尝试将相位裕度设置为60度来减慢响应。
3. 当输入电压下降时,初级 FET 电压可能会升高,但输出电压保持不变, Vds_off = N*Vout/(D*(1-D ))。
如果您 观察到 LINEUV-RTN 电压下降并导致 VDD 低于阈值2.86 - 2.976V (VDD 时为34.32 - 35.712V)、则将实现软关闭功能。 在这种情况下、SST 应该稍后丢弃。 虽然在中的波形 SST 是稳定的、但检查 LINEUV 电压会有所帮助。 如果 LINEUV 电压低于2.976V、您可以将 R624从499k 降至20k - 100k、从而实现更快的软停止响应。

此致、
Diang