Other Parts Discussed in Thread: UCC24610
请注意,本文内容源自机器翻译,可能存在语法或其它翻译错误,仅供参考。如需获取准确内容,请参阅链接中的英语原文或自行翻译。
器件型号:UCC24610 工具与软件:
您好!
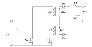
我正在设计次级侧具有同步整流功能的推挽式转换器。 我是否可以将正向二极管 D1和 D2替换为由两个 UCC24610驱动的两个 MOSFET? 我的设计需要25安培的稳态输出电流。 设计时需要注意哪些方面? 在我的设计中、还会有另外两个隔离式输出。 我计划仅实施基于二极管的整流、因为它们处理的电流不到一安培。 它们是否会导致交叉调节问题?
