This thread has been locked.

If you have a related question, please click the "Ask a related question" button in the top right corner. The newly created question will be automatically linked to this question.

[参考译文] LM73606-Q1:无输出电压问题

Guru**** 2505135 points
Other Parts Discussed in Thread: LM73606

请注意,本文内容源自机器翻译,可能存在语法或其它翻译错误,仅供参考。如需获取准确内容,请参阅链接中的英语原文或自行翻译。

https://e2e.ti.com/support/power-management-group/power-management/f/power-management-forum/1431124/lm73606-q1-no-output-voltage-issue

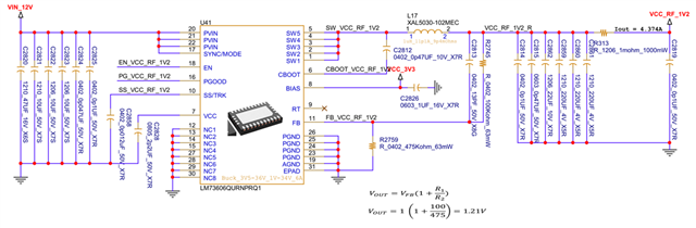
器件型号:LM73606-Q1
Thread 中讨论的其他器件:LM73606

工具与软件:

尊敬的 Expert:

目前客户遇到了 LM73606QURNPRQ1电源设计问题、希望您能帮助检查一下。

 

我们有3个带有 LM73606的电源轨:VCC_3V3、VCC_1V8和 VCC_RF_1V2。

所有这三个电源模块都有用于偏置引脚的 VCC_3V3、但只有 VCC_1V8和 VCC_RF_1V2可以输出功率、在上电后、VCC_3V3为0V 输出。

当我尝试下拉 VCC_3V3的 BIAS 引脚时、它可以成功输出。

上电序列为:VCC_1V8 -> VCC_3V3 -> VCC_RF_1V2。

您可以帮助检查为什么 VCC_3V3无法工作、VCC_1V8可以工作吗?

谢谢。

按预期设计:

  • 请注意,本文内容源自机器翻译,可能存在语法或其它翻译错误,仅供参考。如需获取准确内容,请参阅链接中的英语原文或自行翻译。

    您好!

    您能否尝试拆焊 RT 电阻器并检查这是否改变了输出?  

    此致、

    Rahil

  • 请注意,本文内容源自机器翻译,可能存在语法或其它翻译错误,仅供参考。如需获取准确内容,请参阅链接中的英语原文或自行翻译。

    尊敬的 Rahil:

    客户再次尝试了使用 VBIAS 引脚、下拉和上拉的此电源模块 VCC_3V3。

    所有这三种条件都可以输出功率。

     

    由于上电序列、我们在系统上电时 VCC_1V8也出现偏差。

    根据我们的测试结果、我们想知道 LM73606 VBIAS 引脚可以悬空、下拉和上拉吗?

  • 请注意,本文内容源自机器翻译,可能存在语法或其它翻译错误,仅供参考。如需获取准确内容,请参阅链接中的英语原文或自行翻译。

    您好!

    此引脚是可选的偏置 LDO 电源输入。 如果将其连接到 VCC 或上拉、它将提高效率。 如果未使用、请连接至 GND。 我们通常不建议将其保持悬空。  

    此致、

    Rahil

  • 请注意,本文内容源自机器翻译,可能存在语法或其它翻译错误,仅供参考。如需获取准确内容,请参阅链接中的英语原文或自行翻译。

    您好!

    该偏置 LDO 是否有序列要求?

    对于我们的 VCC_1V8设计、输出将在 VIAS 之前加电、可以吗?

  • 请注意,本文内容源自机器翻译,可能存在语法或其它翻译错误,仅供参考。如需获取准确内容,请参阅链接中的英语原文或自行翻译。

    您好、Rahil 已经不在办公室、他计划下周一当他回到办公室时马上与您联系。

  • 请注意,本文内容源自机器翻译,可能存在语法或其它翻译错误,仅供参考。如需获取准确内容,请参阅链接中的英语原文或自行翻译。

    您好!

    不存在序列要求、这应该没问题。

    此致、

    Rahil

  • 请注意,本文内容源自机器翻译,可能存在语法或其它翻译错误,仅供参考。如需获取准确内容,请参阅链接中的英语原文或自行翻译。

    尊敬的 Rahil:

    引起了大家的注意、非常感谢。