This thread has been locked.

If you have a related question, please click the "Ask a related question" button in the top right corner. The newly created question will be automatically linked to this question.

[参考译文] TPS65400:TPS65400寄存器编程

Guru**** 2511985 points
Other Parts Discussed in Thread: TPS65400, USB2ANY

请注意,本文内容源自机器翻译,可能存在语法或其它翻译错误,仅供参考。如需获取准确内容,请参阅链接中的英语原文或自行翻译。

https://e2e.ti.com/support/power-management-group/power-management/f/power-management-forum/1434294/tps65400-tps65400-register-programming

器件型号:TPS65400
主题中讨论的其他器件: USB2ANY

工具与软件:

随 TPS65400 EVM 提供的软件是否可用于对目标设计中的寄存器进行编程?  如果是、我是否可以在设计中包括30引脚连接器的某个子集?  30针连接器太大、无法包含在内。

  • 请注意,本文内容源自机器翻译,可能存在语法或其它翻译错误,仅供参考。如需获取准确内容,请参阅链接中的英语原文或自行翻译。

    尊敬的先生:

    提供的软件用于与 TPS65400 EVM 通信。 点击主机上的该图标以启动该软件。 该软件会显示用于连接 EVM 板的主控制面板。

    谢谢!

    BRS

    卢西亚

  • 请注意,本文内容源自机器翻译,可能存在语法或其它翻译错误,仅供参考。如需获取准确内容,请参阅链接中的英语原文或自行翻译。

    我知道该软件是为 EVM 开发的。  我问如果整个30引脚连接器还没有包含、是否可以使用它与目标系统上的 TPS65400进行通信。  PMBus 接口是否足以传达寄存器值和对 EEPROM 进行编程?  如果不能、您能否提供一种对寄存器进行编程的方法(但不包括电路板上的微控制器)?

  • 请注意,本文内容源自机器翻译,可能存在语法或其它翻译错误,仅供参考。如需获取准确内容,请参阅链接中的英语原文或自行翻译。

    您好、William、

    当您说完整的30个引脚时、您指的是什么引脚? 您可以说明一下吗?

    谢谢!

    BRS

    卢西亚

  • 请注意,本文内容源自机器翻译,可能存在语法或其它翻译错误,仅供参考。如需获取准确内容,请参阅链接中的英语原文或自行翻译。

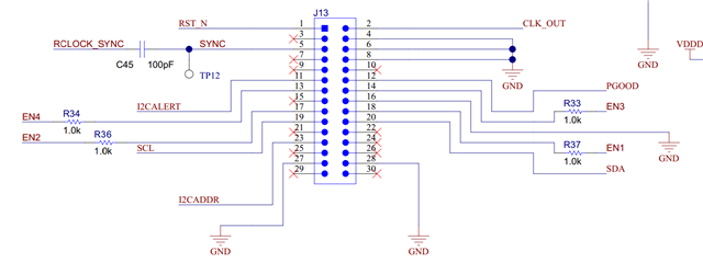
       在步骤1中、在《TPS65400 EVM 用户指南》第8页中、您将指出"使用 USB 电缆将 USB2ANY 的 USB 端口连接到 PC、并使用提供的30引脚带状电缆将另一端连接到 TPS65400的 J13 "。  J13是 EVM 上的30引脚连接器、包括 PMBus、使能和复位。  这样、提供的软件即可与 TPS65400连接以读取和修改寄存器。  这对我的目标很有用、但我不能包含那个巨大的连接器。  我正在尝试查看哪些信号是只能与寄存器通信所必需的。

  • 请注意,本文内容源自机器翻译,可能存在语法或其它翻译错误,仅供参考。如需获取准确内容,请参阅链接中的英语原文或自行翻译。

    您好、William、

    我理解您的观点。 但您订购的 USBtoAny 还包含30引脚带状电缆。 这也是您看到具有30引脚 J13的原因。 谢谢!

    BRS

    卢西亚