This thread has been locked.

If you have a related question, please click the "Ask a related question" button in the top right corner. The newly created question will be automatically linked to this question.

[参考译文] UCC256402:BW (PIN8)是否可以用作输出过压保护?

Guru**** 2502205 points


请注意,本文内容源自机器翻译,可能存在语法或其它翻译错误,仅供参考。如需获取准确内容,请参阅链接中的英语原文或自行翻译。

https://e2e.ti.com/support/power-management-group/power-management/f/power-management-forum/1435794/ucc256402-can-bw-pin8-be-used-as-output-overvoltage-protection

器件型号:UCC256402

工具与软件:

尊敬的 E2E:

我们需要使用 BW (PIN8)来处理 输出过压保护。

BW (PIN8)是否可以用作输出过压保护?

BR

  • 请注意,本文内容源自机器翻译,可能存在语法或其它翻译错误,仅供参考。如需获取准确内容,请参阅链接中的英语原文或自行翻译。

    尊敬的 BR:

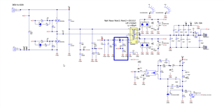
    BW 引脚的功能用于输出过压保护。 该引脚通过辅助绕组上的电阻分压器检测输出电压、如下面的原理图所示。

    此致

    Manikanta P