This thread has been locked.

If you have a related question, please click the "Ask a related question" button in the top right corner. The newly created question will be automatically linked to this question.

[参考译文] LM25148-Q1:LM25148-Q1

Guru**** 2510095 points
Other Parts Discussed in Thread: LM25148

请注意,本文内容源自机器翻译,可能存在语法或其它翻译错误,仅供参考。如需获取准确内容,请参阅链接中的英语原文或自行翻译。

https://e2e.ti.com/support/power-management-group/power-management/f/power-management-forum/1437234/lm25148-q1-lm25148-q1

器件型号:LM25148-Q1
Thread 中讨论的其他器件:LM25148

工具与软件:

大家好!

使用 LM25148时存在2pcs SW 无输出的问题、并且一个 IC 严重消融。

电流旁路电压设置为12V。 情况1的输入电压为12V、而情况2的输入电压为13.2V。

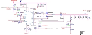
请帮助查看下图的设计、以了解哪些因素可能导致软件故障的风险。

  

  • 请注意,本文内容源自机器翻译,可能存在语法或其它翻译错误,仅供参考。如需获取准确内容,请参阅链接中的英语原文或自行翻译。

    您好!

    很遗憾听到这个问题。

    我无法理解您正在执行的测试。

    您能否更详细地描述或用插图描述您所描述的内容:没有输出2pcs SW 的问题。

    听起来您可能已损坏了设备。

    您是否还有可以分享的波形?

  • 请注意,本文内容源自机器翻译,可能存在语法或其它翻译错误,仅供参考。如需获取准确内容,请参阅链接中的英语原文或自行翻译。

    嗨、Marshall、

    这两个 PC 的具体故障形式为:1个 SW 接地短路和另一个 IC 消融;

    这是在正常开机过程中发现的故障。 以下是我们的加电波形。

  • 请注意,本文内容源自机器翻译,可能存在语法或其它翻译错误,仅供参考。如需获取准确内容,请参阅链接中的英语原文或自行翻译。

    您好、感谢您的澄清。

    这些类型的故障可能会在任何运行模式下发生、而不仅仅是在启动模式下。

    如果能够捕获到故障、那么在监测 VIN、SW、VCC 时、会在 VOUT 下降时触发 IE、我们可能获得一些线索、以了解为什么发生故障。

  • 请注意,本文内容源自机器翻译,可能存在语法或其它翻译错误,仅供参考。如需获取准确内容,请参阅链接中的英语原文或自行翻译。

    您好 Marshall

    是否有办法加快故障重现? 比例控制模式? 轻负载还是重负载? 3)开关频率?

    我们昨天对降压 FPWM 进行了轻负载开关测试、测试周期为2400个、未观察到重复的故障。

    谢谢

  • 请注意,本文内容源自机器翻译,可能存在语法或其它翻译错误,仅供参考。如需获取准确内容,请参阅链接中的英语原文或自行翻译。

    您好 Marshall

    我们  怀疑390uf 电解电容放电缓慢,因此我们将 PP12V_SYS 的放电时间从15ms 延至700ms ,开关频率提高到2.2Mhz ,并进行了2小时700次的开/关测试,未发生损坏。

  • 请注意,本文内容源自机器翻译,可能存在语法或其它翻译错误,仅供参考。如需获取准确内容,请参阅链接中的英语原文或自行翻译。

    您好、您似乎看到预偏置启动存在问题。 我不知道这是此器件的问题、但我会仔细与团队核实。

  • 请注意,本文内容源自机器翻译,可能存在语法或其它翻译错误,仅供参考。如需获取准确内容,请参阅链接中的英语原文或自行翻译。

    感谢您的分享、这是您的一个很好的发现。

  • 请注意,本文内容源自机器翻译,可能存在语法或其它翻译错误,仅供参考。如需获取准确内容,请参阅链接中的英语原文或自行翻译。

    您好、Marshall M ü、

    我们已经测试了 HO 与 SW 以及 LO 的波形。 为什么低侧多路复用器开启时会出现 LO 振荡? 似乎这种电击会在 SW 上产生负电压、并且我们测得  SW 上的最小负电压可以达到-5V@ns。 是否存在风险?

  • 请注意,本文内容源自机器翻译,可能存在语法或其它翻译错误,仅供参考。如需获取准确内容,请参阅链接中的英语原文或自行翻译。

    大家好、我正在与 TI 的一名工程师合作、为您进行此设计提供支持。 振荡与环路电感以及在降压转换器功率级开关期间发生的高 di/dt 有关。

    下面是一个 提供 更多详细信息的资源

    振铃似乎没有异常。 如果您希望最大程度地减少这种影响、我向在此设计中为您提供支持的 TI 客户团队提供了一些布局建议。

  • 请注意,本文内容源自机器翻译,可能存在语法或其它翻译错误,仅供参考。如需获取准确内容,请参阅链接中的英语原文或自行翻译。

    您好  Marshall、

    我们使用三个电路板在 FPWM 模式下测试轻负载电源和正常的 SW 波形、发现存在-5V @< 10ns 的较大负压;
    在三个电路板更改为 PFM 模式后、SW 引脚在上电和正常期间的负电压会降至-2V @< 10ns 以下、包括轻负载、中等负载和重负载。

    PFM 软件

    FPWM 软件

    降低 SW 上的负压是否有助于解决 SW 对地短路问题?

    谢谢

  • 请注意,本文内容源自机器翻译,可能存在语法或其它翻译错误,仅供参考。如需获取准确内容,请参阅链接中的英语原文或自行翻译。

    您好、当振铃过大时、除了可能导致电气过载外、还可能会中断转换器的调节。 在较高的输入电压和负载下、后者变得更加可行。 我审查了此设计的布局、可以对此进行改进以进一步减少此振铃。

    您可以尝试在 EVM 上进行评估、看看如果复制 EVM 布局、可能会看到哪些改进。

  • 请注意,本文内容源自机器翻译,可能存在语法或其它翻译错误,仅供参考。如需获取准确内容,请参阅链接中的英语原文或自行翻译。

    确定、感谢您的支持。

  • 请注意,本文内容源自机器翻译,可能存在语法或其它翻译错误,仅供参考。如需获取准确内容,请参阅链接中的英语原文或自行翻译。

    不用客气。