Other Parts Discussed in Thread: TUSB1044, TUSB1021Q1-EVM
主题中讨论的其他器件:TUSB1044、 TUSB1021Q1-EVM
工具与软件:
你(们)好
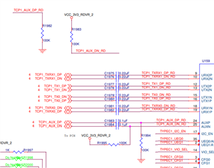
我们正在开发基于英特尔 alder lake 处理器的笔记本电脑项目、我们计划使用两种类型 c、两者都支持 USB+DP ALT 模式。 我们在一个连接器中使用 TUSB1044转接驱动器、在第二个连接器中不使用转接驱动器、而是将 USB 线路直接连接到 Type c 端口、对于 DP 功能、我们使用外部多路复用器。
我们制作了原理图,请查找附件,请仔细阅读并分享反馈
e2e.ti.com/.../VVDN_5F00_LPI3_5F00_TUSB1044_5F00_Review_5F00_A0_2D00_046.pdf



