Other Parts Discussed in Thread: TPS92550
工具与软件:
你好
我有一个新的任务要做。 它是 EMI 滤波器、用于在汽车安装中为 LED 灯供电。
此安装为24V、并将分类„BAT-„连接到车辆框架。
LED 灯有2个针脚电气接头。 第一(1)引脚是连接到+BAT 的开关提供的„+24V"电源、第二(2)引脚是 GND、它通过导线连接到车辆机架。 灯内部、针脚2-GND 和 LED 外壳之间没有连接。
LED 灯壳体材料为铝材料、与车架隔离-车架与车灯壳体之间没有电气连接。
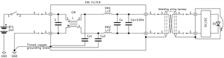
我要做的就是为这个 LED 灯设计 EMI 滤波器。 我想我会这么做、但我对–BAT 连接到车辆框架时汽车安装中的 CM 噪声滤波有一些疑问。
在 CM 中、所有噪声都从器件反向流向每根导线的安装。 在滤波器„内部、必须通过每根导线和滤波器外壳之间连接的 Cy1和 Cy2电容器进行 GND 处理。
我的问题是、我是否必须通过镀锡铜接地编织物将滤光片外壳连接到车架、连接到同一点、并使用 Take–BAT 来提供灯具? 就像我在照片波纹管上做的那样?

第二个问题是、如果我连接滤清器壳体、车辆框架、是否有利于降低 CM 噪声、通过屏蔽接线线束的屏蔽层连接滤清器壳体和灯壳?
我可以在滤清器外壳和灯外壳之间进行细微连接-它们可以进行 EMI 密封并拧紧。 在此选项中、我 不必使用线束。 我认为这个选择会是更好的解决方案。

你怎么看?
此致
Łukasz μ A