工具与软件:
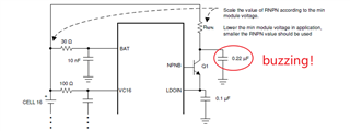
我可以移除 NPN LDOIN 收集器处的0.22uF 吗、因为它在通信时会嗡嗡声。

都将电容器更改为一个0.22uF C0G 和 tw0 0.1uF C0G、但声音略有下降。
当我们通信总共32片 BQ7600时、声音会变得显著嗡嗡声。
该0.22uF 电容器用于对 LDO 进行滤波、但它接缝不起作用、无法滤除通信纹波电流。

我可以移除它,它不能正常工作,但导致嘈杂的声音,而不是。 而嗡嗡声在我去除后消失。
但如果没有该0.22uF 电容、我会担心其他未知问题。 请帮帮我。 谢谢。

