工具与软件:
您好、先生、
晚上好。
我有关于降压转换器死区时间测量和击穿的问题
[问题]
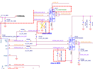
当 LS MOS 关闭-> HS MOS 开启时、我测量 H/L 侧 MOS 栅极波形、观察到它完全重叠
[问题]
1、我看到 VSW 的波形已经变成了负值, 这是否意味着关断电流进入低侧体二极管? (图1)
2.当我想调整到更快的 LSMOS 关断时间时、HS MOS Vgs 的振荡效果会比它好 (图2)
我尝试了下面的解决方案
尝试1. LS 栅极电阻降至1R0
尝试2. 删除 Vgs 并联电容
尝试3. HS MOS 栅极电阻添加到3R3、自举电阻添加到3R3
尝试4. 缓冲器更改为1R+472
3.为什么 LS MOS 门看不到在关闭状态下的米勒板? 我猜测这个原因是负电流
4.哪一个波形更好?
您可以帮助提出这个问题,祝您愉快




