工具与软件:
您好!
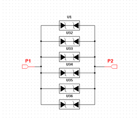
在我的设计中、我使用了6个并联的 MOSFET、并制作了如下所示的驱动器电路。

我使用了 BJT 以缩短关断时间。
电荷泵电容器的值为1uF、电荷泵生成的电压为11.45V。
然而、CHG 和 DSG MOSFET 的栅极电压仅为9.75V。 一个二极管压降是由 U5和 U10造成的。
额外的1V 压降在哪里? 有哪些方法可以提高 VDS?
我还注意到、当通过 MOSFET 的电流增加时、电压进一步下降。 上述值是0A 时的值。 在5-10A 下、存在大约0.5-0.8V 的压降。 电荷泵电压保持不变。

