工具与软件:
尊敬的专家:
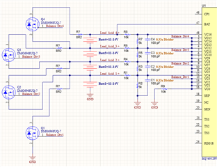
我们想使用一个 BQ76952来测量4节铅酸电池。
由于这些电池的额定电压为12V、因此可以测量
4节12V 电池以及一个 BQ76952?
想法是创建4组从 VC0到 VC16的电压测量
VC0-VC4测量第一个值、而 VC4-VC8测量第二个值
VC8-VC12测量第三个铅酸电池、VC12-V16测量最后一个铅酸电池。
所有电池的前三个引脚都短接、当然最后一个引脚也是分压(0x33分频)。
VC3,VC7,VC11和 VC15驱动器仍然可以实现电池平衡(驱动电压约为12*0.33V*(10000/10000+25 ))。
以下是设计的照片:

您能否检查一下此设计是否可能引起任何潜在问题?
当然、R、C 值是精确的(<=1%)、可以进行调整。 同样、MOSFET 也会有一些带有串联电阻的齐纳二极管。
提前感谢您的回答。
此致、
Andras
