This thread has been locked.

If you have a related question, please click the "Ask a related question" button in the top right corner. The newly created question will be automatically linked to this question.

[参考译文] TPS27SA08:使用 TPS27SA08驱动 TEC

Guru**** 2648525 points

Other Parts Discussed in Thread: TPS27SA08

请注意,本文内容源自机器翻译,可能存在语法或其它翻译错误,仅供参考。如需获取准确内容,请参阅链接中的英语原文或自行翻译。

https://e2e.ti.com/support/power-management-group/power-management/f/power-management-forum/1481058/tps27sa08-using-the-tps27sa08-to-drive-a-tec

器件型号:TPS27SA08

工具与软件:

您好!

我 正在 使用 TPS27SA08以     占空 比 方式单向驱动 TEC (24V/6A)、我   有  以下 两个 问题。

1.在 驱动  负载时、  输出 不能  完全  下拉、 而且 会  随着 时间的推移而增加、     大约 1 分钟内达到2V 以上。

2.       问题 1中所述的问题会  对  功能 和 性能产生什么影响?

期待   您的 回复!


  • 请注意,本文内容源自机器翻译,可能存在语法或其它翻译错误,仅供参考。如需获取准确内容,请参阅链接中的英语原文或自行翻译。

    尊敬的 Li:

    由于用于开路负载检测的内部上拉电阻器而启用诊断时、可能会出现此类泄漏。

    这可能就是发生电平转换但不应影响器件功能的原因。 您能否提供原理图以及您正在探测的位置?

    谢谢!

    Rishika Patel  

  • 请注意,本文内容源自机器翻译,可能存在语法或其它翻译错误,仅供参考。如需获取准确内容,请参阅链接中的英语原文或自行翻译。

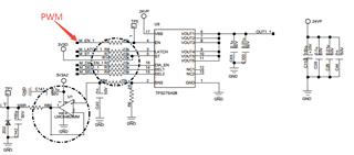
    你(们)好

      下图为原理图。 请帮助进一步确认是否需要校正。 谢谢!

  • 请注意,本文内容源自机器翻译,可能存在语法或其它翻译错误,仅供参考。如需获取准确内容,请参阅链接中的英语原文或自行翻译。

    尊敬的 Li:

    我在原理图上看不到问题、但需要澄清的是、对 DIA_EN 引脚进行 PWM 处理不会打开和关闭开关;不过、对 EN 引脚进行 PWM 处理会打开和关闭开关。  客户在这里要实现什么目标? 诊断功能关闭时、输出电压是否能够下拉至0V?

    谢谢!

    Rishika Patel

  • 请注意,本文内容源自机器翻译,可能存在语法或其它翻译错误,仅供参考。如需获取准确内容,请参阅链接中的英语原文或自行翻译。

    你(们)好

    上面的 PWM 标记不正确、以下是实际原理图。 目前 DIA_EN 的开关测试仍然存在上述问题、当 EN 引脚的 PWM 控制较低时、负载理论为0V、实际2V+

      

  • 请注意,本文内容源自机器翻译,可能存在语法或其它翻译错误,仅供参考。如需获取准确内容,请参阅链接中的英语原文或自行翻译。

    尊敬的 Li:

    您是否在输出端使用了电子负载? 如果是、是处于恒流模式还是恒阻模式?

    谢谢!

    Rishika Patel  

  • 请注意,本文内容源自机器翻译,可能存在语法或其它翻译错误,仅供参考。如需获取准确内容,请参阅链接中的英语原文或自行翻译。

    你(们)好

    我使用纯电阻负载、不会出现上述问题、并且在驱动 TEC 时会出现上述问题。 PWM、是1KHz、我们已经尝试降低频率了、但问题仍然存在 μ s、谢谢

    红色:TEC 电流
    蓝色:TEC 电压

  • 请注意,本文内容源自机器翻译,可能存在语法或其它翻译错误,仅供参考。如需获取准确内容,请参阅链接中的英语原文或自行翻译。

    尊敬的 Li:

    只是为了清楚起见、EN 和 DIAG_EN 已关闭、但在连接 TEC 后、您仍可以看到2V 的电平转换?

    谢谢!

    Rishika Patel  

  • 请注意,本文内容源自机器翻译,可能存在语法或其它翻译错误,仅供参考。如需获取准确内容,请参阅链接中的英语原文或自行翻译。

    你(们)好

      是的、图中的红圈为 EN OFF 和 DIAG_EN OFF

  • 请注意,本文内容源自机器翻译,可能存在语法或其它翻译错误,仅供参考。如需获取准确内容,请参阅链接中的英语原文或自行翻译。

    尊敬的 Li:

    那么似乎负载或系统中的某处存在问题、而不是器件存在问题。 在 EN 和 DIAG_EN 关闭的情况下、  没有从电源到输出的电流路径。 此外、另一种确认这一点的方法是拆开我们的器件、保持负载连接并测量 输出电压。

    谢谢!

    Rishika Patel