请注意,本文内容源自机器翻译,可能存在语法或其它翻译错误,仅供参考。如需获取准确内容,请参阅链接中的英语原文或自行翻译。
器件型号:BQ24133 工具与软件:


您好!
我有一个问题、涉及在改变上的输入电压时出现异常的电池输出行为 bq24133 .
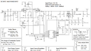
文件说明:
- 第一幅图像 是使用 bq24133的定制电路图。
- 第二幅图像 是 bq24133输出的示波器截图。
- 黄色 代表了 5V 输入电源 (适配器)。
- 蓝色 代表了 4V 电池输入 .
- 红色 代表了 输出电压 .
问题描述:
在 5V 适配器输入被移除(降至0V) 、系统将切换到电池电源。 输出电压正确转换;但是、示波器显示适配器输入并未完全下降到0V、而是保持在 约为3V .
我想知道:
- 这种行为是否正常?
- 如果这是一个问题、您能否帮助确定 可能的原因 基于电路图?
- 有没有 修改 需要哪些资源?
欢迎提供任何指导或建议。
谢谢!