工具与软件:
大家好、团队成员:
您能帮忙检查一下这个原理图吗?

谢谢!
Yishan Chen
This thread has been locked.
If you have a related question, please click the "Ask a related question" button in the top right corner. The newly created question will be automatically linked to this question.
尊敬的 Yishan:
感谢您使用 e2e。
到目前为止、我注意到了几件事:
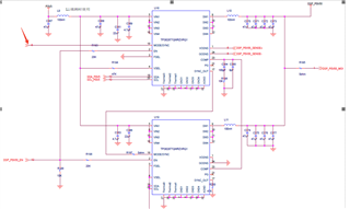
第二个器件 U19的 VOSNS 和 GOSNS 引脚连接到 GND。 请将其连接到 第一个器件 U18的 VOSNS 和 GOSNS 引脚、以便为 U19提供适当的反馈。
2.对于 U19、最好在 COMP 及其 GOSNS 之间连接一个8pF 的电容器。
3. U19的 VSEL、FSEL、SDA 和 SCL 引脚应连接至 GND。 在图片中、我无法看到它们连接到了哪里。
4.请将 U18的 MODE/SYNC 引脚连接到高电平信号、以确保其在 FPWM 模式下工作。
5.请将两个设备的 PG 引脚连接在一起。 第二个器件 U19需要检测来自 U18的 PG 信号。 请参阅随附的图片。
谢谢、此致、
Jingyi

尊敬的 Yishan:
很抱歉昨天没有注意到器件型号 ID 与原理图中的不同、深表歉意。 由于它们使用不同的数据表、您能确认 器件 ID 吗?
另一位同事分享了该设计用于光学模块。 是这样吗? 如果愿意、我可否问为什么选择汽车版而不是工业版? 我们还具有 TPS6287BXX、支持30A Iout 和更灵活的 Vout 设置。 TPS6287Bxx 2.7V 至6V 输入、10A、15A、20A、25A、 具有 I2C 接口的快速瞬态和30A 快速瞬态同步降压转换器数据表(修订版 C)
非常感谢。
此致、
Jingyi
尊敬的 Yishan:
是的、对于 TPS62877、它们可以将辅助器件的检测连接保留在 GND。 我们还将对该器件的模块版本进行取样——请向我们发送电子邮件以了解详细信息、我们可以查看它是否合适。
是的、输入端的100nH 电感器可能会使电路不稳定。 通常、客户会在这里放置铁氧体磁珠。
10k + 180pF 补偿看起来很奇怪。 您能解释一下它们是如何得出这些值的吗? 负载端的输出 Cout 是多少?
谢谢!
Chris
嗨、团队、
抱歉误解为该器件型号为 TPS62877Q1。
他们选择此器件的原因是他们遵循了 DSP 的参考设计。
它们会更改补偿 RC 值、然后正常工作。
但是、由于客户已经拥有 PCB、因此他们想知道以下问题的答案:
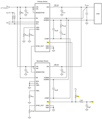
1.当他们保持 PG 断开时、他们发现主要器件的 SW 频率是固定的、但次要器件的 SW 频率将从低频变为2.5MHz。 次级部分似乎处于 PFM 模式。
这是什么原因?
他们是否可以在初级部分的 MODE/SYNC 中使用外部信号来与外部功率 IC 同步?
如果 PG 引脚悬空、次级器件能否从 PWM-DCM 过渡到 PWM-CCM? 从 PWM-DCM 转换到 PWM-CCM 转换的逻辑是什么? 它是基于 PG 信号还是基于实际的输出电流?
谢谢!
Yishan Chen
尊敬的 Yishan:
感谢您的支持。
1、问题1和3都是由 PG 悬空引起的。 PG 引脚是一个 I/O 引脚。 在堆叠模式下、主器件 U18的 PG 引脚用作输出引脚、从而为辅助器件 U19的 PG 引脚提供信号。 在 START 阶段、U19需要检测来自 U18的 PG 信号的上升沿、然后从 DCM 切换到 CCM。 如果 PG 引脚保持开路、U19将无法检测到来自 U18的信号、并在似乎是 PFM 的 DCM 模式下工作。 因此、请将 PG 引脚连接在一起。
2.是的、 堆叠配置可以支持与外部时钟或展频时钟同步。
谢谢、此致、
Jingyi
大家好、团队成员:
感谢您的答复。
关于这个问题、
是的、输入端的100nH 电感器可使电路不稳
客户想知道原因、因为他们已在其他电源 IC 中添加了100nH、但未发生问题
谢谢你
Yishan Chen
尊敬的 Yishan:
100nH 等输入滤波器可能会导致不稳定。 这在很大程度上是特定于应用的。 下面是一个示例: https://www.ti.com/lit/an/slua929a/slua929a.pdf
Chris