请注意,本文内容源自机器翻译,可能存在语法或其它翻译错误,仅供参考。如需获取准确内容,请参阅链接中的英语原文或自行翻译。
器件型号:AM3352 尊敬的香榭丽舍
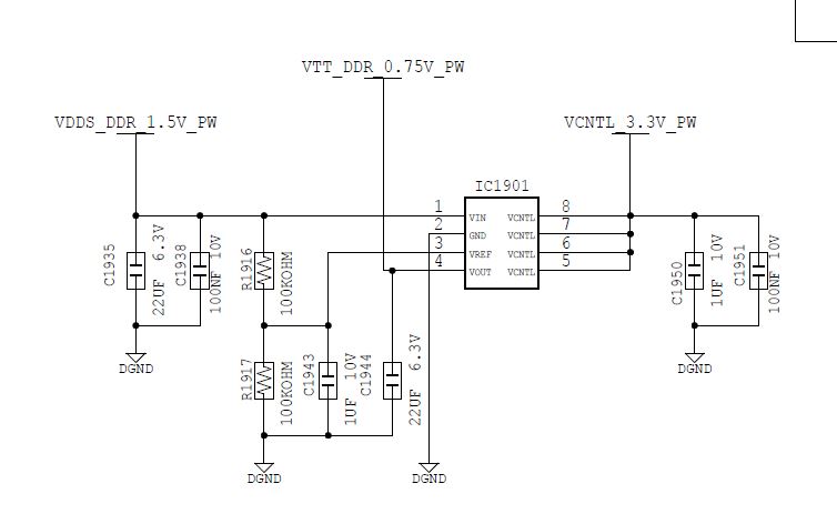
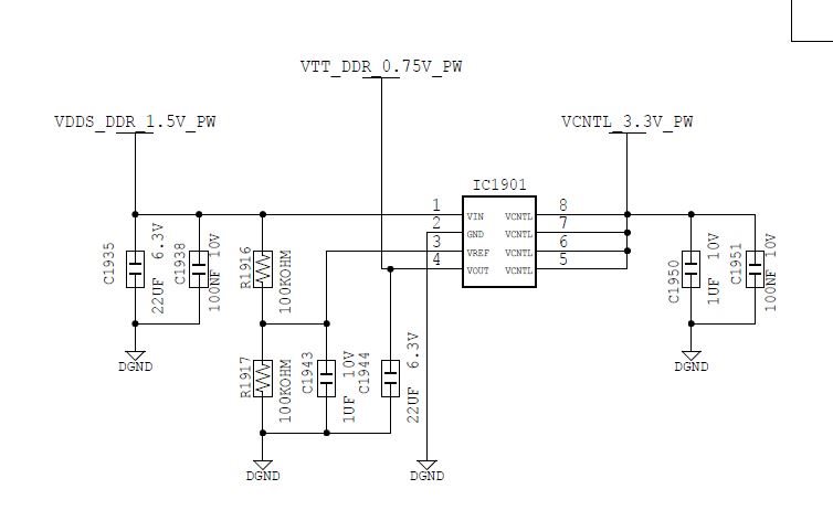
我的客户在启动时发现 VTT 的稳压器中存在1.5V 过冲、他们认为该过冲是由 AM335x 引起的。
他们担心这种过冲会影响 IC、因此应消除这种过冲。
您认为过冲是可以的吗? 还是应消除该过冲?
您能否 在下面查看他们的 VTT 硬件原理图?
当然、我要让它们将电阻器更改为50Ohm、还有什么其他方法可以解决这个问题?
谢谢、此致、
SI