This thread has been locked.

If you have a related question, please click the "Ask a related question" button in the top right corner. The newly created question will be automatically linked to this question.

[参考译文] TCI6638K2K:部件高度说明

Guru**** 2587365 points


请注意,本文内容源自机器翻译,可能存在语法或其它翻译错误,仅供参考。如需获取准确内容,请参阅链接中的英语原文或自行翻译。

https://e2e.ti.com/support/processors-group/processors/f/processors-forum/602300/tci6638k2k-component-height-clarification

器件型号:TCI6638K2K

您好!

我的客户最近查看了 TCI6638K2K 数据表第330页和331页上的机械制图、发现了一些可能的不一致之处、我们想知道您是否可以澄清?

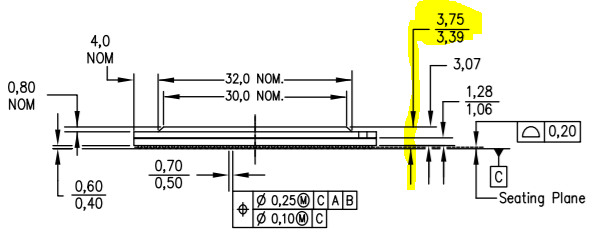
在第330页、下图显示了最大和最小高度分别为3.75mm 和3.39mm 的测量结果-

在第330页上,我们看到它不仅在页面顶部,而且在下面的图表中也指出最大高度为3.62mm?--

您能不能帮助我们了解实际的最大值、最小值和典型值。 测量的是该器件的高度?

感谢您的时间和方向!

-Amanda

  • 请注意,本文内容源自机器翻译,可能存在语法或其它翻译错误,仅供参考。如需获取准确内容,请参阅链接中的英语原文或自行翻译。
    您好、Amanda、

    我已将此事转发给设计专家。 他们的反馈应发布在此处。

    BR
    Tsvetolin Shulev
  • 请注意,本文内容源自机器翻译,可能存在语法或其它翻译错误,仅供参考。如需获取准确内容,请参阅链接中的英语原文或自行翻译。
    您好!

    最大值应为3.62。 但是、让硬件团队确认这一点。
    您还可以提交文档反馈以通知文档团队有关此问题的信息。

    此致、
    Yordan
  • 请注意,本文内容源自机器翻译,可能存在语法或其它翻译错误,仅供参考。如需获取准确内容,请参阅链接中的英语原文或自行翻译。

    Yordan、您好!

    感谢您的观看。 您认为何时会听到您的声音?

    感谢您的观看!

    -Amanda

  • 请注意,本文内容源自机器翻译,可能存在语法或其它翻译错误,仅供参考。如需获取准确内容,请参阅链接中的英语原文或自行翻译。
    您好 Amanda、Yordan、

    几周前通过电子邮件关闭了 Yordan 的上述回答正确。 不过、我将其余的详细信息放在这里。

    TCI6638K2K 版本3.0收到新的封装堆叠。 这导致总体封装高度略有不同、实际上是一个称为"AAW1517B"的新封装名称和图纸。 旧版本的3.0之前版本引用了旧版本的封装名称"AAA (S-PBGA-N1517)"。

    数据表的当前修订版本(修订版本 F)未包含有关如何将适当的封装图映射到特定器件修订版本的任何信息。

    希望这能清除问题。

    谢谢、
    Randy
  • 请注意,本文内容源自机器翻译,可能存在语法或其它翻译错误,仅供参考。如需获取准确内容,请参阅链接中的英语原文或自行翻译。
    谢谢 Randy!