请注意,本文内容源自机器翻译,可能存在语法或其它翻译错误,仅供参考。如需获取准确内容,请参阅链接中的英语原文或自行翻译。
器件型号:AM3358 工具/软件:Linux
尊敬的香榭丽舍
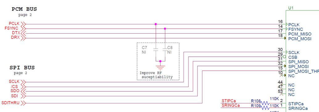
我的客户希望将 Si32283连接到用于 TDM Tx/Rx 的 McASP、并希望确认仅将 ACLKx 连接到 Si32283的 PCLK 是否正常、并且无需连接 ACLKRx。
例如、是否可以在下面的 AM3358和 Si32283之间进行连接?
McASP_ACLKx <->PCLK
McASP_FSX <->FSYNC
McASP_AXR0 <-> PCM_MISO
McASP_AXR1 <-> PCM_Misi
建议的 Sil3228连接如下所示。
软件是 Linux PSDK v4.0、但我认为这对该硬件配置无关紧要。
谢谢、此致、
SI