工具与软件:
尊敬的 TI 专家:
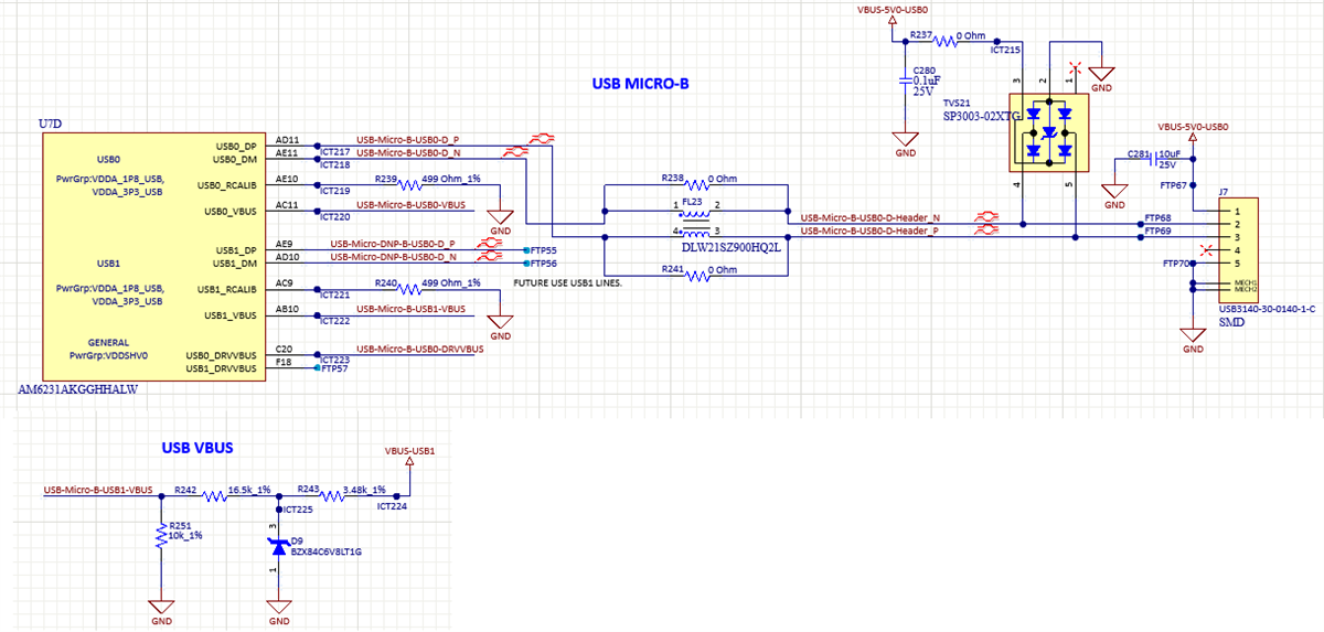
我们正在使用 AM6231AKGGHHALW 开发网关硬件、我们的第一个定制硬件正在启动过程中。
在成功执行基本基准测试(所有电压轨、电源时序、时钟和复位)后、当我们通过 USB0尝试 DFU 引导时、主机未检测到硬件。
您可以查看我们的 USB 部分原理图并分享您的评论吗? 请引导我们调试该问题。 
谢谢!
Deepak D.
This thread has been locked.
If you have a related question, please click the "Ask a related question" button in the top right corner. The newly created question will be automatically linked to this question.
工具与软件:
尊敬的 TI 专家:
我们正在使用 AM6231AKGGHHALW 开发网关硬件、我们的第一个定制硬件正在启动过程中。
在成功执行基本基准测试(所有电压轨、电源时序、时钟和复位)后、当我们通过 USB0尝试 DFU 引导时、主机未检测到硬件。
您可以查看我们的 USB 部分原理图并分享您的评论吗? 请引导我们调试该问题。 
谢谢!
Deepak D.