主题中讨论的其他器件: SysConfig
工具与软件:
你(们)好
我们将 AM6421与 SDK 搭配使用
1) 适用于 AM64x 的处理器 SDK Linux 版本:09.02.01.10
2) MCU_PLUS_SDK_am64X_09_02_00_50
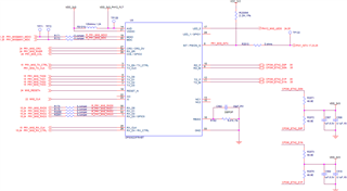
我们已在 RMII 模式下配置了 CPSW 端口、下面是接口详细信息
您能建议我们是否可以使用这些设置吗?
我们无法在 SysConfig 中配置 MDIO 信号。
CPSW_RMII_MDC - PRG0_MDIO0_MDC
CPSW_RMII_MDIO - PRG0_MDIO0_MDIO。
我们使用了 DP83822 Phy。





