请注意,本文内容源自机器翻译,可能存在语法或其它翻译错误,仅供参考。如需获取准确内容,请参阅链接中的英语原文或自行翻译。
器件型号:PMP40766 工具/软件:
您好、
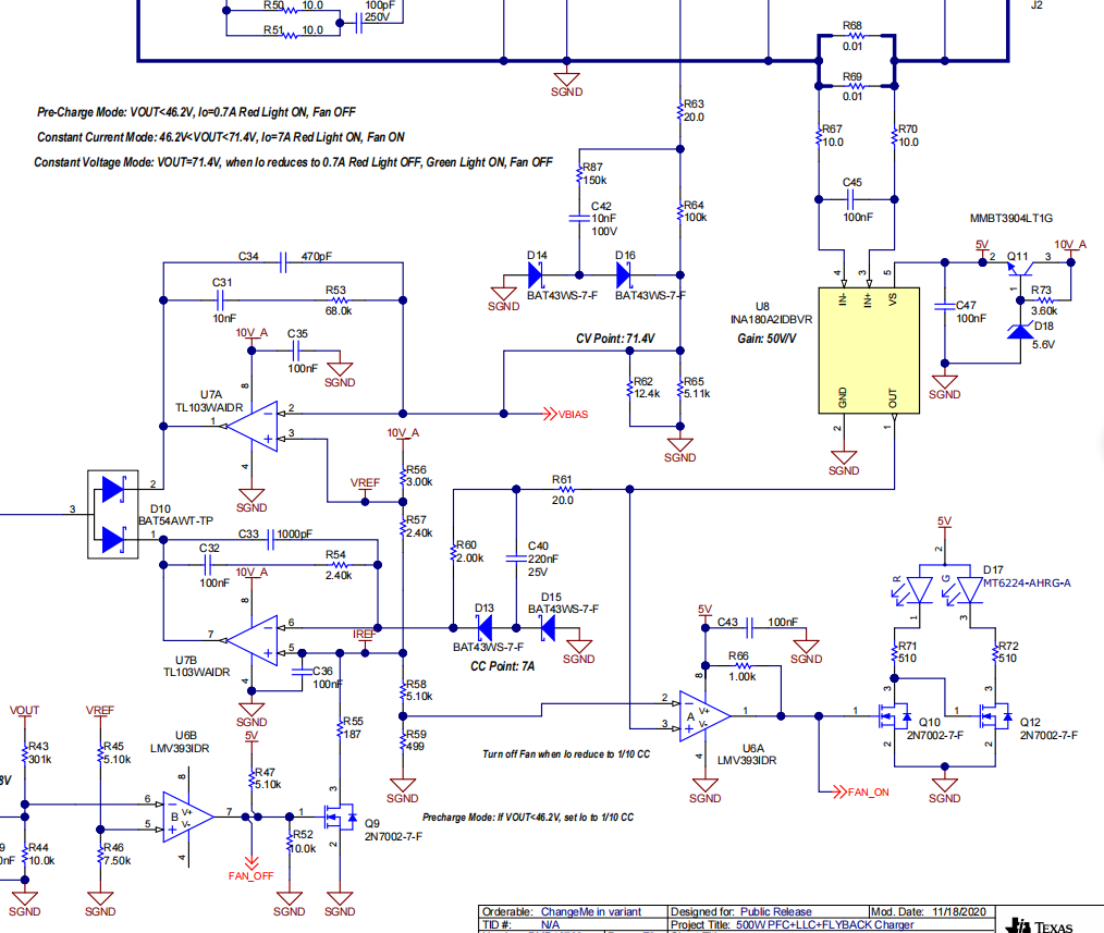
当 LLC 电路处于恒压控制模式时、Vout = 71.4V。 当电流降至 0.7A 时、通过计算、U6A 的同相输入端子应为 0.175V。 U6A 的反相输入端子为 (IREF×R59)/(R59 + R58)、其中 IREF 计算为 1.75V、因此 U6A 的反相输入端子为 0.155V。 U6A 输出高电平、红灯亮起、风扇启动。 这与以下说法不一致:在恒定电压模式下、红色指示灯熄灭、绿色指示灯亮起、风扇熄灭。 我希望你能回答我的困惑。
谢谢、
