您好!
我在器件中使用与 TIDA-00333相同的一次性自动方向控制原理图。 根据这种方法、RS485线路在0传输期间达到-1.5V 满电压(A 和 B 线路上的驱动器输出)、但在1传输期间仅达到200mV 以上的毛刺位(故障保护偏置电平)、而不是 RS485标准规定的最小1.5V (最小驱动器输出)。 与在整个8位传输过程中由 PC 或 MCU 控制 DE (驱动器使能)的标准 RS485实施相比、它是否会降低此类 RS485设计在远距离上的稳健性?
此致!
This thread has been locked.
If you have a related question, please click the "Ask a related question" button in the top right corner. The newly created question will be automatically linked to this question.
您好!
我在器件中使用与 TIDA-00333相同的一次性自动方向控制原理图。 根据这种方法、RS485线路在0传输期间达到-1.5V 满电压(A 和 B 线路上的驱动器输出)、但在1传输期间仅达到200mV 以上的毛刺位(故障保护偏置电平)、而不是 RS485标准规定的最小1.5V (最小驱动器输出)。 与在整个8位传输过程中由 PC 或 MCU 控制 DE (驱动器使能)的标准 RS485实施相比、它是否会降低此类 RS485设计在远距离上的稳健性?
此致!
卢卡斯
我的设计中没有任何问题。
这只是有关信号电平及其对总线稳健性的影响的问题。
这就像 RS485外观的标准信号振幅。 在数据发送/接收期间、我们可以看到+/-1.5V 的全信号振幅。
在采用自动方向控制的 TI 设计中、我们看到在位0转换期间、我们具有完整的信号振幅、但 在位1转换期间、信号电平与总线空闲状态下的电平相同(明显地说、ESS 高于标准1.5V)。
很明显、对于远距离通信、更大的信号振幅可提供更高的稳健性。 如果信号振幅降低、稳健性也会降低。
我的问题是-与没有带全幅信号的自动方向控制的总线相比、这种信号幅度差异是否会降低具有自动方向控制的总线的稳健性?
尊敬的、
Alexei
Alexei、
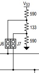
我对这里的误解表示歉意。 是的、更高的差分电压(VOD)确实具有更高的 SNR (信噪比)、因此可提供更好的抗噪性能。 但是、通过 将失效防护电阻器从590欧姆降低到300欧姆时的大约一半、可以将 VOD 增加到1V。 这里唯一的缺点是从 Vcc 到这个电阻器网络的电流消耗略高。 请注意、VOD 减小是由于失效防护电阻器而不是电路的自动方向部分。 如果不需要 TIDA-00333、用户实际上可以通过 J6和 J7断开失效防护电阻器。
如 本文档所述、旧款收发器也需要失效防护电阻器。 有时、较旧的收发器可以与较新的收发器位于同一网络上、并且添加了失效防护电阻器以实现兼容性。
尊敬的、
卢卡斯