Other Parts Discussed in Thread: DIX9211, TIDA-01414, PCM9211, PCM5252
主题中讨论的其他器件: PCM9211、 PCM5252、DIX9211
尊敬的 TI 团队:
我是一名电子工程师、在我学习和职业生涯中都使用了 TI 参考套件。 而且,目前我正在研究 Dolby Atmos 5.1.2条形音箱系统。 我对设计有一些疑问、需要支持以进行准确修改。 在这方面,你能帮我吗?
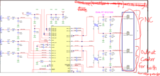
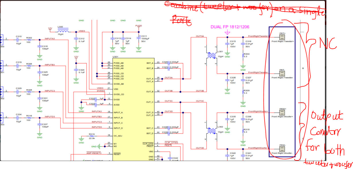
1.我想把(高音扬声器+低音扬声器)的输出组合在一个 port...ca上,你可以分享精确的连接怎么可能?
2.其次、我想将 HDMI 2.1 (eARC)放置在此设计中、以使用5.1.2输出 configuration..ca获得所需的音频输出。您可以详细说明如何连接输入 HDMI eARC 连接器、或到底有什么信号(I2S.I2C 等)?
PLZ 找到附加的图片供您参考。
此致
阿马尔









