请注意,本文内容源自机器翻译,可能存在语法或其它翻译错误,仅供参考。如需获取准确内容,请参阅链接中的英语原文或自行翻译。
器件型号:TIDA-010240 主题中讨论的其他器件: LM74700-Q1
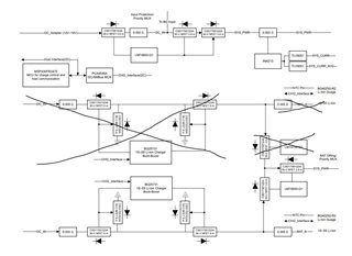
工具与软件:
我们目前正在评估 TIDA-010240的电池参考电路、并计划使用两个串联配置的电池供电。
如果只插入一个电池而不是同时插入两个电池、我们是否会注意到任何潜在问题或问题?

This thread has been locked.
If you have a related question, please click the "Ask a related question" button in the top right corner. The newly created question will be automatically linked to this question.
工具与软件:
我们目前正在评估 TIDA-010240的电池参考电路、并计划使用两个串联配置的电池供电。
如果只插入一个电池而不是同时插入两个电池、我们是否会注意到任何潜在问题或问题?
