This thread has been locked.

If you have a related question, please click the "Ask a related question" button in the top right corner. The newly created question will be automatically linked to this question.

[参考译文] CC1352P7:OAD 引导

Guru**** 2398695 points
Other Parts Discussed in Thread: CC1352P7, SYSCONFIG

请注意,本文内容源自机器翻译,可能存在语法或其它翻译错误,仅供参考。如需获取准确内容,请参阅链接中的英语原文或自行翻译。

https://e2e.ti.com/support/wireless-connectivity/sub-1-ghz-group/sub-1-ghz/f/sub-1-ghz-forum/1239310/cc1352p7-oad-boot

器件型号:CC1352P7
主题中讨论的其他器件: SysConfig

您好,

 我们构建的项目形式为 simple_peripheral_oad_offchip_lp_CC1352P7_1_tirtos7_ticlang、但我们的硬件 设计使用 不同的 引脚连接到 具有 LAUNCHXL--CC1352P7-1的外部 SPI 闪存,我们无法从闪存引导、我们应该怎么做?

  • 请注意,本文内容源自机器翻译,可能存在语法或其它翻译错误,仅供参考。如需获取准确内容,请参阅链接中的英语原文或自行翻译。

    您好!  

    您必须重新分配引脚。 在项目的 SysConfig 文件中的"Use hardware"中、请选择"None"。 然后、您可以根据您的电路板设计分配 GPIO 引脚。

    此致、

    SID

  • 请注意,本文内容源自机器翻译,可能存在语法或其它翻译错误,仅供参考。如需获取准确内容,请参阅链接中的英语原文或自行翻译。

    您好,

    我们 就 像你说的那样,但 OAD 不会。

    此致

    GHB

  • 请注意,本文内容源自机器翻译,可能存在语法或其它翻译错误,仅供参考。如需获取准确内容,请参阅链接中的英语原文或自行翻译。

    请您详细说明哪些问题不起作用?

    是否有任何错误消息?

    项目不是在构建吗?

    失败在哪里?

    这些器件的行为是怎样的?

  • 请注意,本文内容源自机器翻译,可能存在语法或其它翻译错误,仅供参考。如需获取准确内容,请参阅链接中的英语原文或自行翻译。

    我们按照"ti/simplelink_calibration_cc13xx_cc26xxsdk_6_40_00_00/modules/ble5stack/ble_enhanced_oad_basines/ble_enhanced_oad_basines.html"进行 OAD、但程序无法正常运行。

    此致/GHB

  • 请注意,本文内容源自机器翻译,可能存在语法或其它翻译错误,仅供参考。如需获取准确内容,请参阅链接中的英语原文或自行翻译。

    您好、GHB:

    由于您按照此处介绍的过程进行操作、因此我假设这不是构建和闪存的问题。

    但以下仍是相关的问题。 它在哪里发生了故障? 什么是器件行为?

    失败在哪里?

    这些器件的行为是怎样的?

    [/报价]

    此致、

    SID

  • 请注意,本文内容源自机器翻译,可能存在语法或其它翻译错误,仅供参考。如需获取准确内容,请参阅链接中的英语原文或自行翻译。

    尊敬的 Sid:

    我不知道它在哪里失败。 我们使用"simple_peripheral_oad_offchip"、其工作于 LP_CC1352P7_1、我们可以通过蓝牙找到该程序。然后我们根据硬件(外部 SPI 闪存引脚与 LP_CC1352P7_1不同)、我们无法通过蓝牙找到 progam。

    此致

    GHB  

  • 请注意,本文内容源自机器翻译,可能存在语法或其它翻译错误,仅供参考。如需获取准确内容,请参阅链接中的英语原文或自行翻译。

    您好!

    您是否有节目的串行日志、能否向我们展示无线电部分的示意图?

    我想知道天线切换回调与您的电路板是否兼容。

    此致、

    亚瑟

  • 请注意,本文内容源自机器翻译,可能存在语法或其它翻译错误,仅供参考。如需获取准确内容,请参阅链接中的英语原文或自行翻译。

    您好,

    我们  没有 串行 日志。我们 使用  "simple_peripheral_oad_offchip",   我们如何获取日志?

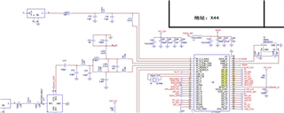
    无法以 Web 方式附加无线电部分的原理图。 它太大了。 您有其他方法吗?

    此致、

    GHB

  • 请注意,本文内容源自机器翻译,可能存在语法或其它翻译错误,仅供参考。如需获取准确内容,请参阅链接中的英语原文或自行翻译。

  • 请注意,本文内容源自机器翻译,可能存在语法或其它翻译错误,仅供参考。如需获取准确内容,请参阅链接中的英语原文或自行翻译。

    您好,

      我们的  问题如何?

  • 请注意,本文内容源自机器翻译,可能存在语法或其它翻译错误,仅供参考。如需获取准确内容,请参阅链接中的英语原文或自行翻译。

    您好,

    如何  卸载  1352p7的引导?

    此致

  • 请注意,本文内容源自机器翻译,可能存在语法或其它翻译错误,仅供参考。如需获取准确内容,请参阅链接中的英语原文或自行翻译。

    您好!

    我没有看到非 PA 2.4 GHz 部分的原理图部分(RF_P/N_2_4GHz),请您分享一下吗?

    我问的原因是、查看您的原理图、似乎只有高功率 PA 通过无线电开关输出、这将解释您无法通过蓝牙找到芯片的原因。

    如果您将手机/计算机放在非常靠近设备的位置、您是否通过蓝牙看到该设备?

    此致、

    亚瑟

  • 请注意,本文内容源自机器翻译,可能存在语法或其它翻译错误,仅供参考。如需获取准确内容,请参阅链接中的英语原文或自行翻译。

  • 请注意,本文内容源自机器翻译,可能存在语法或其它翻译错误,仅供参考。如需获取准确内容,请参阅链接中的英语原文或自行翻译。

    您好!

    在执行测试时、您是否将天线连接到以下部分?

    您可以尝试在 SysConfig 中启用和禁用20dBm、然后查看您看到的是器件还是没有。

    这将指导我们找到解决方案。

    此致、

    亚瑟

  • 请注意,本文内容源自机器翻译,可能存在语法或其它翻译错误,仅供参考。如需获取准确内容,请参阅链接中的英语原文或自行翻译。

    您好, Arthur M ü,

    "在 SysConfig 中启用和禁用20dBm",我们找不到低于1g 的正弦和蓝牙偏差。

    此致

  • 请注意,本文内容源自机器翻译,可能存在语法或其它翻译错误,仅供参考。如需获取准确内容,请参阅链接中的英语原文或自行翻译。

    尊敬的 Dong:

    我意识到了错误。

    以下是您必须根据原理图修改 SPI 引脚的方法、 电路板/ bsp.h

    #define BSP_IOID_FLASH_CS       IOID_6
    #define BSP_SPI_MOSI            IOID_7
    #define BSP_SPI_MISO            IOID_5
    #define BSP_SPI_CLK_FLASH       IOID_8

    实际上、bim_xxxx 项目不使用 SysConfig。

    请告诉我、它是否最终能为您效劳。

    此致、

    亚瑟

  • 请注意,本文内容源自机器翻译,可能存在语法或其它翻译错误,仅供参考。如需获取准确内容,请参阅链接中的英语原文或自行翻译。

    Arthur、您好!

    我们找不到" 电路板/ bsp.h "、位于我们的项目"simple_peripheral_oad_offchip_lp_CC1352P7_1_tirtos7_ticlang"中。

    我们发现 "串行接口信号配置为特定的 DIO。 这些引脚是固定的、无法重新配置。"  《CC13xx/CC26xx 硬件配置和 PCB 设计 注意事项》中的。

    似乎无法重新配置引脚。

    此致

  • 请注意,本文内容源自机器翻译,可能存在语法或其它翻译错误,仅供参考。如需获取准确内容,请参阅链接中的英语原文或自行翻译。

    尊敬的 Dong:

    您要引用的文档是关于内部引导加载程序、我认为它与 bim 没有关系。

    您将在 bim_offchip 项目中找到 Board/bsp.h。

    此致、

    亚瑟

  • 请注意,本文内容源自机器翻译,可能存在语法或其它翻译错误,仅供参考。如需获取准确内容,请参阅链接中的英语原文或自行翻译。

    Arthur、您好!

    我们在"Bim_offchip_LP_CC1352P7_1_nortos_ticlang\Board"中未找到"board/bsp.h"。 该目录为空。

    此致、

  • 请注意,本文内容源自机器翻译,可能存在语法或其它翻译错误,仅供参考。如需获取准确内容,请参阅链接中的英语原文或自行翻译。

    尊敬的 Dong:

    通常情况下、bsp.h 链接到 bim_offchip 项目、而不会复制到项目文件夹。

    您将在 COM_TI_SIMPLELINK_CC13XX_CC26XX_SDK_INSTALL_DIR\SOURCE\ti\common\flash\no_rtos\extFlash\bsp.h 下找到它

    此致、

    亚瑟

  • 请注意,本文内容源自机器翻译,可能存在语法或其它翻译错误,仅供参考。如需获取准确内容,请参阅链接中的英语原文或自行翻译。

    Arthur、您好!

    我们尝试了您的方法。 程序无法从"LAUNCHXL--CC1352P7-1"引导。  详细步骤遵循了"simplelink_acad_cc13xx_cc26xxsdk_6_40_00_00/modules/ble5stack/ble_enhanced_oad_basines/ble_enhanced_oad_basines.html"。

    拉加德斯

  • 请注意,本文内容源自机器翻译,可能存在语法或其它翻译错误,仅供参考。如需获取准确内容,请参阅链接中的英语原文或自行翻译。

    PS:

    程序也无法从我们的板引导。

    此致