主题中讨论的其他器件:CC1352P
我已经在传感器应用背景下对适用于 TI 15.4 Stack 的 CC1352P1 Launchpad 进行了功耗测试。 当系统空闲而不通过射频传输数据或器件处于睡眠模式时、功耗保持在大约1-2uA。
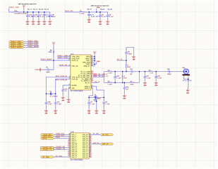
但是、我在设计的电路板上遇到了一个问题。 功耗不会降至1.2mA 以下。 在电路板设计过程中、我一直严格遵循德州仪器提供的原理图。 此外、我在定制电路板上额外加入了两个传感器、并在睡眠期间实现了电路板的睡眠或断电模式。 有趣的是、从定制电路板上移除传感器后、能耗几乎保持不变。
我已在定制电路板和 Launchpad 电路板上上传了相同的代码。 如果提供有关如何降低此场景中的能耗的指导、我将不胜感激。
