请注意,本文内容源自机器翻译,可能存在语法或其它翻译错误,仅供参考。如需获取准确内容,请参阅链接中的英语原文或自行翻译。
器件型号:CC1312R 主题中讨论的其他器件:UNIFLASH
工具与软件:
您好!
我使用 CC1312R1创建了一个设计。 我能够通过 Code Composer Studio 上传代码。
我似乎能够运行代码、因为程序计数器增加了、似乎能够在 while 循环中执行函数。
我能够通过 uniflash 读取和擦除存储器。
一个问题虽然:我无法通过 SmartRF Studio 7访问 RF 设置,我只是不明白为什么。

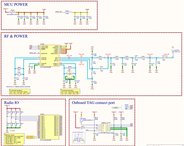
这是原理图。 请不要将 R300,301,309,303、304、 305和313未安装。
用于 HF 晶振的负载电容器也未被安装。

这就是 SmartRF 给我的错误消息。
提前感谢!