工具/软件:
目标器件: TS5A3359YZPR
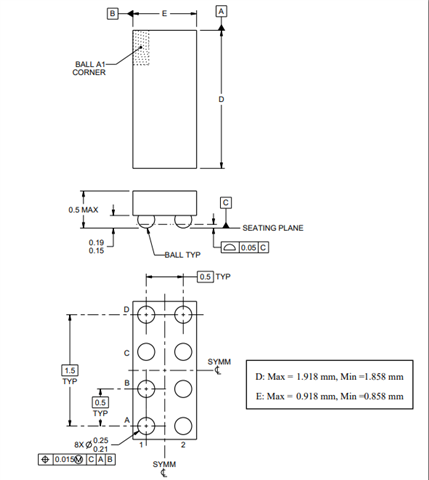
您能否教授球之间的最小间隙 (mm)? 它未在数据表中列出

谢谢、此致、
野村大介
This thread has been locked.
If you have a related question, please click the "Ask a related question" button in the top right corner. The newly created question will be automatically linked to this question.
工具/软件:
目标器件: TS5A3359YZPR
您能否教授球之间的最小间隙 (mm)? 它未在数据表中列出

谢谢、此致、
野村大介
你好大辅、
纵观这一点、0.5mm 典型规格的封装是 采用此封装的不同 TI 产品 YZP 封装的标准信息。
为了将该器件实施到 0.5mm 设计中、最佳实践是针对 TS5A3359YZPR 的不同单元假设的
在本数据表中、0.5mm 间距表示为间距、因为这是 TI 为该规格提供的最准确的测量值。
以下是有关 TI DSBGA 封装的更多信息。
谢谢。此致、
Kameron