请注意,本文内容源自机器翻译,可能存在语法或其它翻译错误,仅供参考。如需获取准确内容,请参阅链接中的英语原文或自行翻译。
器件型号: TMUX131
您好的团队、
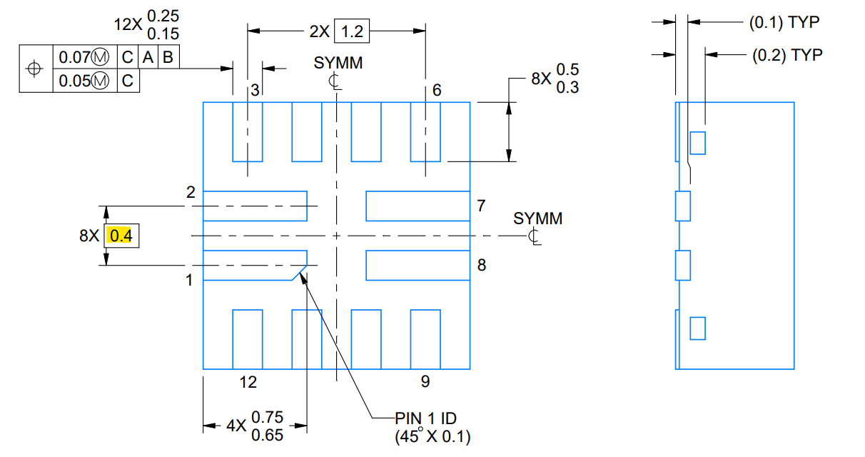
数据表状态的第 1 页封装是 0.5mm 间距 VQFN。
而封装外形显示 0.4mm 间距 WQFN。

哪些信息是正确的? 我的客户无法接受 0.4mm 间距。 如果第一页出错、请更正。
此致、
Shota Mago
This thread has been locked.
If you have a related question, please click the "Ask a related question" button in the top right corner. The newly created question will be automatically linked to this question.
器件型号: TMUX131
您好的团队、
数据表状态的第 1 页封装是 0.5mm 间距 VQFN。
而封装外形显示 0.4mm 间距 WQFN。

哪些信息是正确的? 我的客户无法接受 0.4mm 间距。 如果第一页出错、请更正。
此致、
Shota Mago