工具与软件:
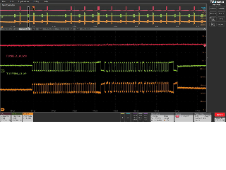
我们的产品具有通过 USB-C 功能的 DP 受电方、并且需要通过 DP 受电方1.4 AUX 测试。
AUX 波形缺少灌电流侧 AUX-、但可以测量拉电流侧。
此故障症状可以在 TUSB564 SBU 和 AUX 侧测量、但出现在连接至 DP 转换器的0.1uF 交流耦合电容器部分。
我们测量了多个电路板、得到了相同的结果。 DP 接收端工作正常、可以看到显示。 为什么只有 AUX-将具有该 sympton。 此问题是否属于测量方法? 我们使用有源单端探头和 MSO6示波器。 
This thread has been locked.
If you have a related question, please click the "Ask a related question" button in the top right corner. The newly created question will be automatically linked to this question.
工具与软件:
我们的产品具有通过 USB-C 功能的 DP 受电方、并且需要通过 DP 受电方1.4 AUX 测试。
AUX 波形缺少灌电流侧 AUX-、但可以测量拉电流侧。
此故障症状可以在 TUSB564 SBU 和 AUX 侧测量、但出现在连接至 DP 转换器的0.1uF 交流耦合电容器部分。
我们测量了多个电路板、得到了相同的结果。 DP 接收端工作正常、可以看到显示。 为什么只有 AUX-将具有该 sympton。 此问题是否属于测量方法? 我们使用有源单端探头和 MSO6示波器。 