请注意,本文内容源自机器翻译,可能存在语法或其它翻译错误,仅供参考。如需获取准确内容,请参阅链接中的英语原文或自行翻译。
器件型号:CC2630 您好!
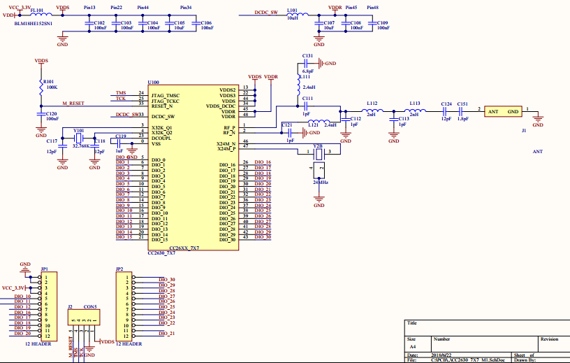
我们将 CC2630F128RGZR (7X7)用于 Zigbee 节点。 我们在调试时遇到了问题。
当 Vin=3.3V 时、不存在射频信号且无法联网。 但是、当用手触摸 PCB 迹 线天线时、射频正常。
当 Vin=3V 时、射频正常。
我们测试了 CC2630EVM、结果正常。
PS:PCB 小于 CC2630EVM 并具有两层。
请帮您检查问题并提供一些建议。 谢谢。
原理图
谢谢
沃尔什