This thread has been locked.

If you have a related question, please click the "Ask a related question" button in the top right corner. The newly created question will be automatically linked to this question.

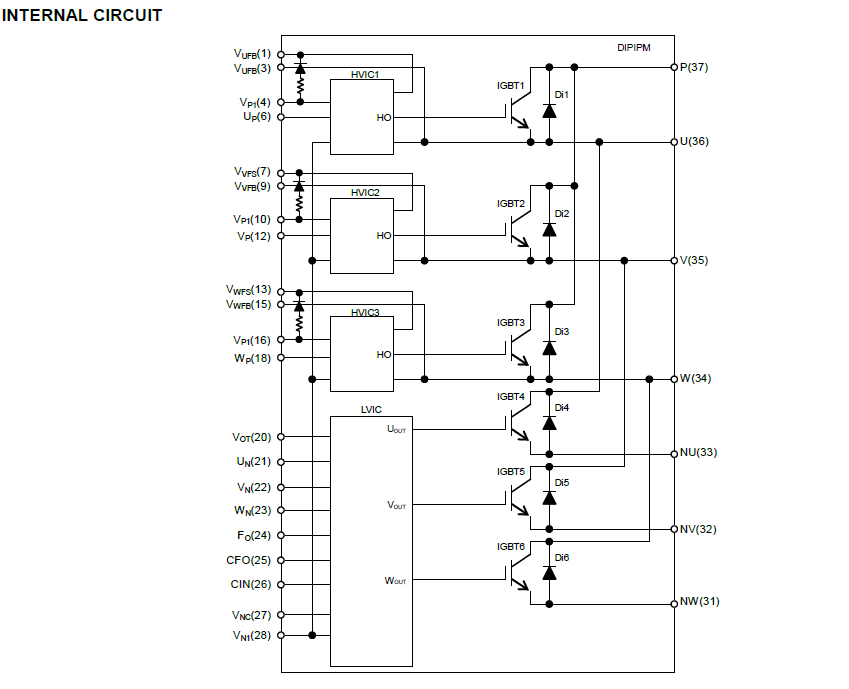
请问电机驱动模块用了三菱的PSS50S71F6,foc在motorware里有例程吗?

Other Parts Discussed in Thread: MOTORWARE