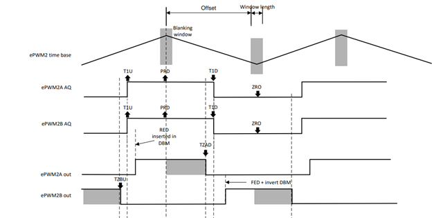
在中断程序中,我想让EPWM1A强制拉高,是应该配置AQSFRC的OTSFA以及ACTSFA还是配置AQCSFRC的CSFA,我不理解一次性与连续的区别,一次性指的是只是生成一个脉冲吗。具体目的只是暂时拉高,在CTR=PRD以及CTR=ZERO事件发生时仍然按照AQCTLA定义来动作。具体像下图展示的一样,在中断中完成T1U或T1D事件拉高或置低EPWM。
This thread has been locked.
If you have a related question, please click the "Ask a related question" button in the top right corner. The newly created question will be automatically linked to this question.
在中断程序中,我想让EPWM1A强制拉高,是应该配置AQSFRC的OTSFA以及ACTSFA还是配置AQCSFRC的CSFA,我不理解一次性与连续的区别,一次性指的是只是生成一个脉冲吗。具体目的只是暂时拉高,在CTR=PRD以及CTR=ZERO事件发生时仍然按照AQCTLA定义来动作。具体像下图展示的一样,在中断中完成T1U或T1D事件拉高或置低EPWM。
内容重复,我会关闭这个帖子。工程师将在下帖中跟进您的问题:
e2echina.ti.com/.../tms320f28035-epwm