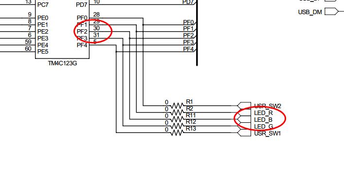
一直以来认为,TI的库函数和别的厂商的一样,应该是第一个参数为所属引脚为哪个区域(A,B,C,D,E,F),第二个参数为所属区域的第几个引脚(GPIO_PIN_0-7),第三个参数为所需要得到的电平值(0或1),可是TI的操作是不一样的,比如操作开发板上的LED亮,LED的电路图如下
如上图所示,当给PF1,PF2,PF3高电平时,对应的颜色亮,给低电平时,对应的颜色是灭的。
该函数的原型如下
void
GPIOPinWrite(uint32_t ui32Port, uint8_t ui8Pins, uint8_t ui8Val)
{
//
// Check the arguments.
//
ASSERT(_GPIOBaseValid(ui32Port));
//
// Write the pins.
//
HWREG(ui32Port + (GPIO_O_DATA + (ui8Pins << 2))) = ui8Val;
}
那么按照我们以前芯片一般的操作,应该是这个样子的
GPIOPinWrite(GPIO_PORTF_BASE, GPIO_PIN_1, 1);//点亮LED
可是,在TM4C中不是这个样子的,这样子是不会点亮LED的,应该是这个样子
GPIOPinWrite(GPIO_PORTF_BASE, GPIO_PIN_1, GPIO_PIN_1);
注意:第三个参数和第二个参数相同的时候,才会把该IO输出高电平。
输出低电平的话,直接写0就可以了,应该是下面这个样子
GPIOPinWrite(GPIO_PORTF_BASE, GPIO_PIN_1, 0);

