Part Number: DRV8899-Q1
Hi team
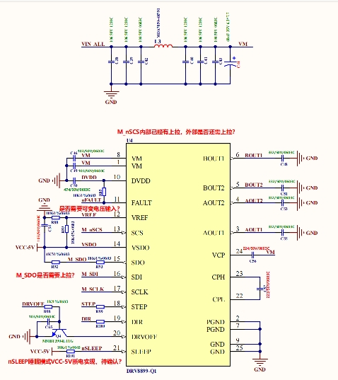
Could you please help review the schematic?

BR
Hanbing
This thread has been locked.
If you have a related question, please click the "Ask a related question" button in the top right corner. The newly created question will be automatically linked to this question.
Thanks for your question. Overall, the schematic looks okay. I am unable to verify the components values because of poor resolution and unable to zoom to read those. If you could share higher resolution image it'd be better. Be sure to have the thermal pad also connected to system GND.