This thread has been locked.

If you have a related question, please click the "Ask a related question" button in the top right corner. The newly created question will be automatically linked to this question.

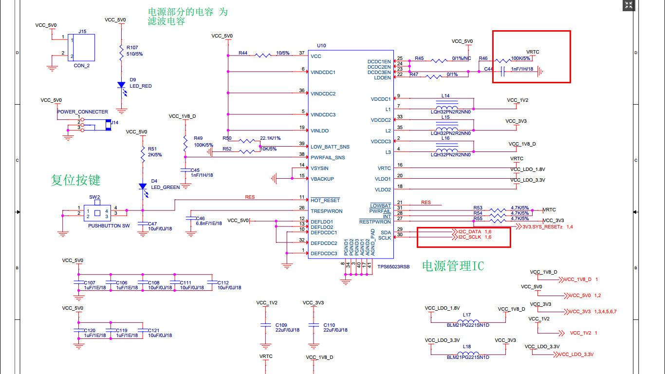
TPS65023的I2C接口连接

Other Parts Discussed in Thread: TPS65023

准备使用TPS65023为ep4ce10e22i8l供电。TPS65023自带I2C接口,我看手册中使用DCDC的配置接口也能配置出FPGA所需电压,请问I2C可不可以不使用,如果不使用的话是不是将I2C相关管脚不做任何处理即可?