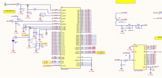
使用BQ79616设计储能系统的BMS,AFE接上16s电池模组(DC52V)后,在没有唤醒的情况下CVDD和LDOIN电压只有2.8-2.9V左右,小于数据手册中要求的关机状态下,最低电压3.4V。这是为什么?BAT电压52V应该没问题,那只有RNPN电阻和BJT三极管了,难道是选型有问题?
已经收到了您的案例,调查需要些时间,感谢您的耐心等待。
您好
该部件成功唤醒了吗?AVDD电压是否正确?
若设备持续无法正常运行,请将原理图发送给我进行审查。
电压只有2.8-2.9V左右时是没有办法唤醒的。一个BMU共有4路,每路1个AFE芯片,16通道,共64通道。每路AFE的CVDD和LDOIN电压还不一样,还有的4V左右,有的5V左右,这种唤醒是没问题的。我的问题是,CVDD和LDOIN电压与什么有关?BAT电压,RNPN电阻选型,还有NPN三极管选型?原理图如下图所示: