This thread has been locked.

If you have a related question, please click the "Ask a related question" button in the top right corner. The newly created question will be automatically linked to this question.

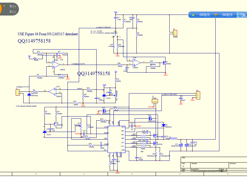
【原创】2016电子竞赛A题LM5117方案的参考文档 欢迎大家探讨哈



自己没事画了个图 大家来拍砖哈~~~~ 

大家有啥好的建议和我说 我也分享下哈~~~