This thread has been locked.

If you have a related question, please click the "Ask a related question" button in the top right corner. The newly created question will be automatically linked to this question.

LM25118,如何实现4v-21v可变输入,5v,1A稳定输出呢?

Other Parts Discussed in Thread: LM25118, LM5175, LM5117

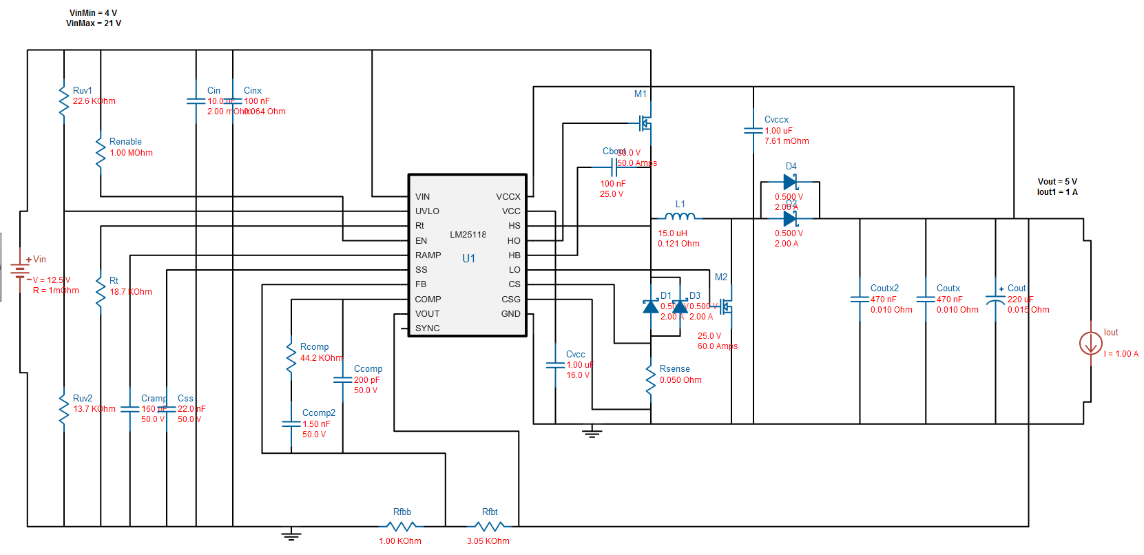
我们现在需要设计一个电源,把一个最低4v,最高21v的可变直流电,转换成稳定的5v,1A的输出,给别的模块供电。用LM25118可以实现吗,我在TI官网的WEBENCH Designer上面得到的参考电路,在仿真的时候发现4v输入和20v输入的时候都是可以得到5v,1A的输出的,但就是在5v,6v左右的时候,得到的输出是4.2v左右,这正常吗?是我忽略了什么吗?求高人指点,非常感谢。

  • 我们做了个小板,原理图是一样的,只是几个电阻电容的值跟上面给出的稍微不太一样,我们打板的图是下面这个,经过测试,输入5v的时候,输出就是4.2v,输入6v的时候,输出大约是4.8v,而且6v输入的时候,即使空载,输入电流也会越来越大,直到1A左右,这就很奇怪了。

  • 了解Buck-Boost的原理,

    大于输出一段的时候,buck工作,boost直通

    小于一段boost工作,buck直通

    接近时都工作,

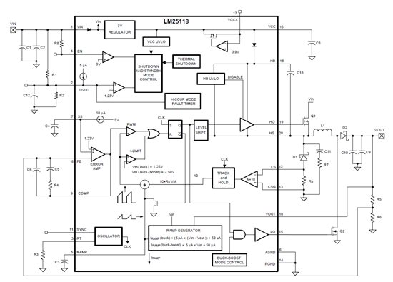
    内部LDO需要提供mos管的自举电压的,当小于4.75V时需要从VCCX提供4.75电压才可以工作的

    因此你需要一个能将3V提升到5V的小功率boost送给VCCX

    再说了,输出1A,用10A的控制器做~,牛刀了

  • 为什么我用直流电源给板子输入5v电压的时候,即使输出是空载,板子也会消耗100mA左右的电流,而且随着时间的增长,板子本身消耗的电流越来越大,直到1A呢?为什么会这样,求大神讲解。^^

    而且,LM25118可以实现,5v输入,5v输出吗,要怎么修改电路才能实现呀?求大神讲解。^^

  • 大于输出一段的时候,buck工作,boost直通

    小于一段boost工作,buck直通

    接近时都工作,

    一定当输入接近输出的的时候出现效率函数的拐点;入5V出5Vbuck和boost都在开关自然有管耗;

    5V太接近内部LDO的极限值了,你工作断断续续的,boost或者buck把你电感偏磁饱和了

    最简单的VCCX加个升压电荷泵,同时加大VCCX的储能电容量

  • 为什么我输入5v,却得到4.4v输出?

    我试着修改RFBT1把3k改成3.5k,在5v输入的时候还是得到4.4v输出,我该如何修改才能得到5v输入,5v输出?

    大神,教教我。^^

  • Hi, Di Yang

    改变VCCX的原理是什么呀?另外LM25118内部有LDO?作用是什么啊,datasheet中看不到相应的说明呢,下图是逻辑框图:

    另,LM5175是否存在5v输入的时候有这个损耗大的问题?

  • 大神,我有三点疑问,

    1. 这是在网站上仿真的结果,5v输入,却是3.8v左右的输出,好像知道为什么是这样,是哪个地方没调好吗,为什么芯片手册里面说的是3-42v的输入电压范围?

    2.第二点就是LM5117的仿真结果是ok的,5v输入的时候,5v输出。但是LM5117实际上是否可以实现?

    3.如果让您推荐一个方案,实现4v-21v任何输入电压的时候都可以稳定得到5v,1A的输出的话,该怎么实现?

    小弟对电源设计是小白,目前正在恶补,多多指教哈,^^

  • 先分析WEBENCH Designer的结果

    它有一个疏忽,VCCX是从输出5V取回来的,

    而你要考虑上电能输出5V,ok一切正常

    上电输不出5V,就挂了

    而且5V已经是临界点了,5V进入ldo稳压出4.7V,BOOST结构还有一个二极管要导通,4.4V左右,

    也就是你上电5V就得不到4.75以上的VCCX;没有正确的boot

    不仅要考虑稳态,也要考虑初状态的三个极限点;入4V上电满载/空载,入21V上电满载/空载,入5V满载/空载

  • 在webench里观看输出电压的曲线,在输入为4V,12.5V,  21V时输出电压都有4.9815V

  • Hi, Di Yang1

    稳态的时候保证VCCX在4.75以上就可以使芯片正常工作,即使是5v的输入也会得到5v的输出吗?

    还有就是很期待大神分析初状态的三个极限点,^^

    可否实现一个电路,比如在5v-6v的时候走LDO,然后6v以上的电压自动走DC-DC,??

    BR.

  • 这个贴还是我结一下吧。两种思路,可以实现。

    1.最符合题目要求的方式是先整体升压,然后降压到想要的电压和电流。4v-21v通过boost升压芯片升压到比如24v,然后通过buck降压芯片降压到5v1A就可以了。唯一的缺点就是效率太低了,boost的效率比如80%,buck效率80%,那么总体只有64%。即使选用效率最高的比如都是90%的芯片,效率也才有80%。提现出来的效果就是板子发热会非常严重。电路图就不附了,很简单的思路。

    2.第二种方法实现的思想就是低压的时候走LDO,高压的时候走DC-DC。为使问题简化,我们先说5v-21v输入,5v1A输出的情况。首先我们自己设计一款电路,可以实现这个逻辑,可以自动根据输入电压的不同选择走不同的电路,电路会贴在下面给大家一个参考。这个电路的优点就是效率很高,低压的时候LDO的效率可以在90%以上,高压的时候DC-DC的效率也会在90%以上。效果就是板子运行即使运行很长时间也基本不热,缺点就是输入在4v-5v的时候需要加个小的boost芯片,只需要boost到6v左右就行。我没有试过加boost芯片这个电路,因为用TI的那个掉压只有0.2v和0.3v的LDO,也是可以基本实现5.2v输入,5v输出的。这点是这个电路小的缺陷吧,当然这个缺陷可以通过加小的boost芯片来弥补,只要boost到的电压在LDO的最佳输入范围就行,通过LDO会直接降到5v。这个实现的关键点在于DC-DC一定要带UVLO的功能。

  • 对于向我这样的初学者,单靠单芯片比如LM25118这样的芯片来解决如此大范围电压变化的情况,是不可能的。至少TI的芯片还不能做到如此,你会发现或者在低压的时候,或者在高压的时候,每个芯片的适应能力是不太一样的,会发热非常严重。个人总结,类似这种看起来输出电压范围比较全能的单芯片,往往都是有使用条件和前提的,但是TI的芯片手册中并没有写清楚和明白,会非常误导我这样的菜鸟的,也算是给TI提个意见和建议吧。目前总结来看,对于升压就用只有升压功能的芯片,对于降压就用只能降压的芯片来实现,慎用比较全能的既能够boost又能够buck的单芯片,因为有前提条件的,需要寄几在电路里多测试测试。省心点的做法就是用功能单一的芯片,boost就用boost的芯片,buck就用buck的芯片。个人的一点算是心得吧,希望帮到有需要的人。^^