This thread has been locked.

If you have a related question, please click the "Ask a related question" button in the top right corner. The newly created question will be automatically linked to this question.

单节锂电池供电,ADS1299模拟前端,求低功耗芯片方案推荐

Other Parts Discussed in Thread: ADS1299, BQ24040, ADS1298

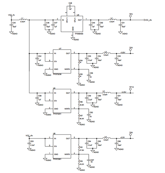
ads1299模拟前端供电,准备采用单节锂电池供电,充电管理芯片采用bq24040,单片机及ad芯片供电需要 3v,+-2.5V,求推荐电源芯片,功耗要求低。